2021
JEE Mains
MCQ
JEE Main 2021 (Online) 22th July Evening Shift
Consider a situation in which reserve biased current of a particular P-N junction increases when it is exposed to a light of wavelength $\le$ 621 nm. During this process, enhancement in carrier concentration takes place due to generation of hole-electron pairs. The value of band gap is nearly.
A.
1 eV
B.
4 eV
C.
0.5 eV
D.
2 eV
2021
JEE Mains
MCQ
JEE Main 2021 (Online) 20th July Morning Shift
For the circuit shown below, calculate the value of Iz :
A.
25 mA
B.
0.1 A
C.
0.15 A
D.
0.05 A
2021
JEE Mains
MCQ
JEE Main 2021 (Online) 18th March Evening Shift
The correct relation between $\alpha$ (ratio of collector current to emitter current) and $\beta$ (ratio of collector current to base current) of a transistor is :
A.
$\beta = {\alpha \over {1 + \alpha }}$
B.
$\alpha = {\beta \over {1 - \alpha }}$
C.
$\alpha = {\beta \over {1 + \beta }}$
D.
$\beta = {1 \over {1 - \alpha }}$
2021
JEE Mains
MCQ
JEE Main 2021 (Online) 17th March Evening Shift
Which one of the following will be the output of the given circuit?
A.
XOR Gate
B.
NOR Gate
C.
NAND Gate
D.
AND Gate
2021
JEE Mains
MCQ
JEE Main 2021 (Online) 17th March Morning Shift
The output of the given combination gates represents :
A.
AND Gate
B.
NOR Gate
C.
NAND Gate
D.
XOR Gate
2021
JEE Mains
MCQ
JEE Main 2021 (Online) 16th March Evening Shift
The following logic gate is equivalent to :
A.
NOR Gate
B.
NAND Gate
C.
OR Gate
D.
AND Gate
2021
JEE Mains
MCQ
JEE Main 2021 (Online) 26th February Evening Shift
Draw the output signal Y in the given combination of gates.
A.
B.
C.
D.
2021
JEE Mains
MCQ
JEE Main 2021 (Online) 26th February Morning Shift
LED is constructed from Ga-As-P semiconducting material. The energy gap of this LED is 1.9 eV. Calculate the wavelength of light emitted and its colour.
[h = 6.63 $\times$ 10$-$34 Js and c = 3 $\times$ 108 ms$-$1]
[h = 6.63 $\times$ 10$-$34 Js and c = 3 $\times$ 108 ms$-$1]
A.
654 nm and orange colour
B.
654 nm and red colour
C.
1046 nm and red colour
D.
1046 nm and blue colour
2021
JEE Mains
MCQ
JEE Main 2021 (Online) 25th February Evening Shift
For extrinsic semiconductors; when doping level is increased;
A.
Fermi-level of both p-type and n-type semiconductors will go upward for T > TFK and downward for T < TFK, where TF is Fermi temperature.
B.
Fermi-level of p-type semiconductor will go upward and Fermi-level of n-type semiconductors will go downward
C.
Fermi-level of p and n-type semiconductors will not be affected.
D.
Fermi-level of p-type semiconductors will go downward and Fermi-level of n-type semiconductor will go upward.
2021
JEE Mains
MCQ
JEE Main 2021 (Online) 25th February Evening Shift
The truth table for the following logic circuit is :
A.
B.
C.
D.
2021
JEE Mains
MCQ
JEE Main 2021 (Online) 25th February Morning Shift
A 5V battery is connected across the points X and Y. Assume D1 and D2 to be normal silicon diodes. Find the current supplied by the battery if the +ve terminal of the battery is connected to point X.
A.
$ \sim $ 0.5 A
B.
$ \sim $ 1.5 A
C.
$ \sim $ 0.43 A
D.
$ \sim $ 0.86 A
2021
JEE Mains
MCQ
JEE Main 2021 (Online) 24th February Evening Shift

The logic circuit shown above is equivalent to :
A.
B.
C.
D.
2021
JEE Mains
MCQ
JEE Main 2021 (Online) 24th February Evening Shift
Given below are two statements :
Statement I : PN junction diodes can be used to function as transistor, simply by connecting two diodes, back to back, which acts as the base terminal.
Statement II : In the study of transistor, the amplification factor $\beta$ indicates ratio of the collector current to the base current.
In the light of the above statements, choose the correct answer from the options given below.
Statement I : PN junction diodes can be used to function as transistor, simply by connecting two diodes, back to back, which acts as the base terminal.
Statement II : In the study of transistor, the amplification factor $\beta$ indicates ratio of the collector current to the base current.
In the light of the above statements, choose the correct answer from the options given below.
A.
Both Statement I and Statement II are false
B.
Statement I is false but Statement II is true
C.
Both Statement I and Statement II are true
D.
Statement I is true but Statement II is false
2021
JEE Mains
MCQ
JEE Main 2021 (Online) 24th February Evening Shift
Zener breakdown occurs in a p $-$ n junction having p and n both :
A.
heavily doped and have wide depletion layer.
B.
lightly doped and have narrow depletion layer.
C.
heavily doped and have narrow depletion layer.
D.
lightly doped and have wide depletion layer.
2021
JEE Mains
MCQ
JEE Main 2021 (Online) 24th February Morning Shift
If an emitter current is changed by 4 mA, the collector current changes by 3.5 mA. The value of $\beta$ will be :
A.
0.875
B.
0.5
C.
3.5
D.
7
2020
JEE Mains
MCQ
JEE Main 2020 (Online) 6th September Morning Slot
Identify the correct output signal Y in the given combination of gates (as shown) for the given
inputs A and B.
A.
B.
C.
D.
2020
JEE Mains
MCQ
JEE Main 2020 (Online) 5th September Evening Slot
Two Zener diodes (A and B) having breakdown
voltages of 6 V and 4 V respectively, are
connected as shown in the circuit below. The
output voltage V0 variation with input voltage
linearly increasing with time, is given by :
(Vinput = 0 V at t = 0)
(figures are qualitative)
(Vinput = 0 V at t = 0)
(figures are qualitative)
A.
B.
C.
D.
2020
JEE Mains
MCQ
JEE Main 2020 (Online) 5th September Morning Slot
With increasing biasing voltage of a photodiode,
the photocurrent magnitude :
A.
Increases initially and after attaining
certain value, it decreases
B.
Increases linearly
C.
Increases initially and saturates finally
D.
Remains constant
2020
JEE Mains
MCQ
JEE Main 2020 (Online) 4th September Evening Slot
Identify the operation performed by the circuit given below :
A.
AND
B.
NAND
C.
OR
D.
NOT
2020
JEE Mains
MCQ
JEE Main 2020 (Online) 4th September Morning Slot
Take the breakdown voltage of the
zener diode used in the given circuit as 6V.
For the input voltage shown in figure below,
the time variation of the output voltage is:
(Graphs drawn are schematic and not to scale)
zener diode used in the given circuit as 6V.
For the input voltage shown in figure below,
the time variation of the output voltage is:
(Graphs drawn are schematic and not to scale)
A.
B.
C.
D.
2020
JEE Mains
MCQ
JEE Main 2020 (Online) 3rd September Evening Slot
If a semiconductor photodiode can detect a photon with a maximum wavelength of 400 nm, then
its band gap energy is :
Planck’s constant h = 6.63 $ \times $ 10–34 J.s. Speed of light c = 3 $ \times $ 108 m/s
Planck’s constant h = 6.63 $ \times $ 10–34 J.s. Speed of light c = 3 $ \times $ 108 m/s
A.
1.5 eV
B.
2.0 eV
C.
3.1 eV
D.
1.1 eV
2020
JEE Mains
MCQ
JEE Main 2020 (Online) 3rd September Evening Slot
Which of the following will NOT be observed when a multimeter (operating in resistance measuring
mode) probes connected across a component, are just reversed?
A.
Multimeter shows NO deflection in both cases i.e. before and after reversing the probes if the
chosen component is metal wire.
B.
Multimeter shows a deflection, accompanied by a splash of light out of connected component in one direction and NO deflection on reversing the probes if the chosen component is LED.
C.
Multimeter shows an equal deflection in both cases i.e. before and after reversing the probes if
the chosen component is resistor.
D.
Multimeter shows NO deflection in both cases i.e. before and after reversing the probes if the
chosen component is capacitor.
2020
JEE Mains
MCQ
JEE Main 2020 (Online) 3rd September Morning Slot
When a diode is forward biased, it has a
voltage drop of 0.5 V. The safe limit of current
through the diode is 10 mA. If a battery of emf
1.5 V is used in the circuit, the value of
minimum resistance to be connected in series
with the diode so that the current does not
exceed the safe limit is
A.
50 $\Omega $
B.
200 $\Omega $
C.
300 $\Omega $
D.
100 $\Omega $
2020
JEE Mains
MCQ
JEE Main 2020 (Online) 2nd September Evening Slot
In the following digital circuit, what will be the
output at ‘Z’, when the
input (A, B) are (1, 0), (0, 0), (1, 1,), (0, 1)
input (A, B) are (1, 0), (0, 0), (1, 1,), (0, 1)
A.
1, 1, 0, 1
B.
0, 1, 0, 0
C.
1, 0, 1, 1
D.
0, 0, 1, 0
2020
JEE Mains
MCQ
JEE Main 2020 (Online) 9th January Evening Slot
The current i in the network is :
A.
0.6 A
B.
0.3 A
C.
0 A
D.
0.2 A
2020
JEE Mains
MCQ
JEE Main 2020 (Online) 9th January Evening Slot
Two identical capacitors A and B, charged to
the same potential 5V are connected in two
different circuits as shown below at time t = 0.
If the charge on capacitors A and B at time
t = CR is QA and QB respectively, then (Here
e is the base of natural logarithm)
A.
QA = ${{CV} \over e}$, QB = ${{VC} \over 2}$
B.
QA = ${{CV} \over 2}$, QB = ${{VC} \over e}$
C.
QA = VC, QB = ${{VC} \over e}$
D.
QA = VC, QB = CV
2020
JEE Mains
MCQ
JEE Main 2020 (Online) 8th January Evening Slot
In the given circuit, value of Y is :
A.
toggles between 0 and 1
B.
1
C.
will not execute
D.
0
2020
JEE Mains
MCQ
JEE Main 2020 (Online) 8th January Morning Slot
Boolean relation at the output stage-Y for the
following circuit is :
A.
A.B
B.
$\overline A + \overline B $
C.
$\overline A .\overline B $
D.
A + B
2020
JEE Mains
MCQ
JEE Main 2020 (Online) 7th January Evening Slot
In the figure, potential difference between A and B is :
A.
10 V
B.
5 V
C.
zero
D.
15 V
2020
JEE Mains
MCQ
JEE Main 2020 (Online) 7th January Morning Slot
Which of the following gives a reversible operation?
A.
B.
C.
D.
2019
JEE Mains
MCQ
JEE Main 2019 (Online) 12th April Evening Slot
Figure shows a DC voltage regulator circuit, with a Zener diode of breakdown voltage = 6V. If the
unregulated input voltage varies between 10 V to 16 V, then what is maximum Zener current?
A.
3.5 mA
B.
1.5 mA
C.
2.5 mA
D.
7.5 mA
2019
JEE Mains
MCQ
JEE Main 2019 (Online) 12th April Morning Slot
The transfer characteristic curve of a transistor, having input and output resistance 100 $\Omega $ and 100 k$\Omega $
respectively is shown in the figure. The voltage and power gain, are respectively:
A.
5 × 104, 5 × 105
B.
5 × 104, 5 × 106
C.
5 × 104, 2.5 × 106
D.
2.5 × 104, 2.5 × 106
2019
JEE Mains
MCQ
JEE Main 2019 (Online) 12th April Morning Slot
The truth table for the circuit given in the fig. is:
A.
$\left| {\matrix{
A & B & Y \cr
0 & 0 & 1 \cr
0 & 1 & 1 \cr
1 & 0 & 1 \cr
1 & 1 & 1 \cr
} } \right|$
B.
$\left| {\matrix{
A & B & Y \cr
0 & 0 & 1 \cr
0 & 1 & 0 \cr
1 & 0 & 0 \cr
1 & 1 & 0 \cr
} } \right|$
C.
$\left| {\matrix{
A & B & Y \cr
0 & 0 & 1 \cr
0 & 1 & 1 \cr
1 & 0 & 0 \cr
1 & 1 & 0 \cr
} } \right|$
D.
$\left| {\matrix{
A & B & Y \cr
0 & 0 & 0 \cr
0 & 1 & 0 \cr
1 & 0 & 1 \cr
1 & 1 & 1 \cr
} } \right|$
2019
JEE Mains
MCQ
JEE Main 2019 (Online) 10th April Evening Slot
The figure represents a voltage regulator circuit using a Zener diode. The breakdown voltage of the Zener
diode is 6 V and the load resistance is, RL = 4k$\Omega $. The series resistance of the circuit is Ri
= 1 k$\Omega $. If the
battery voltage VB varies from 8 V to 16 V, what are the minimum and maximum values of the current
through Zener diode?
A.
0.5 mA; 8.5 mA
B.
1.5 mA; 8.5 mA
C.
1 mA; 8.5 mA
D.
0.5 mA; 6 mA
2019
JEE Mains
MCQ
JEE Main 2019 (Online) 10th April Morning Slot
An n-p-n transistor operates as a common emitter
amplifier, with a power gain of 60 dB. The input
circuit resistance is 100$\Omega $ and the output load
resistance is 10 k$\Omega $. The common emitter
current gain $\beta $ is :
A.
104
B.
102
C.
6 × 102
D.
60
2019
JEE Mains
MCQ
JEE Main 2019 (Online) 9th April Evening Slot
The logic gate equivalent to the given logic
circuit is :-
A.
NAND
B.
AND
C.
NOR
D.
OR
2019
JEE Mains
MCQ
JEE Main 2019 (Online) 9th April Morning Slot
An NPN transistor is used in common emitter
configuration as an amplifier with 1 k$\Omega $ load
resistance. Signal voltage of 10 mV is applied
across the base-emitter. This produces a 3 mA
change in the collector current and 15μA
change in the base current of the amplifier. The
input resistance and voltage gain are :
A.
0.67 kW, 200
B.
0.33 kW, 1.5
C.
0.67 kW, 300
D.
0.33 kW, 300
2019
JEE Mains
MCQ
JEE Main 2019 (Online) 8th April Evening Slot
A common emitter amplifier circuit, built using
an npn transistor, is shown in the figure. Its dc
current gain is 250, RC = 1k$\Omega$ and VCC = 10 V.
What is the minimum base current for VCE to
reach saturation ?
A.
100 $\mu $A
B.
7 $\mu $A
C.
10 $\mu $A
D.
40 $\mu $A
2019
JEE Mains
MCQ
JEE Main 2019 (Online) 8th April Morning Slot
The reverse breakdown voltage of a Zener
diode is 5.6 V in the given circuit.
The current IZ through the Zener is :
The current IZ through the Zener is :
A.
7 mA
B.
17 mA
C.
15mA
D.
10 mA
2019
JEE Mains
MCQ
JEE Main 2019 (Online) 12th January Evening Slot
In the figure, given that VBB supply can vary from 0 to 5.0 V, VCC = 5V, $\beta $dc = 200, RB = 100 k$\Omega $, RC = 1 k$\Omega $ and VBE = 1.0 V. The minimum base current and the input voltage at which the transistor will go to saturation, will be respectively :
A.
20 $\mu $A and 2.8 V
B.
25 $\mu $A and 2.8 V
C.
20 $\mu $A and 3.5 V
D.
25 $\mu $A and 3.5 V
2019
JEE Mains
MCQ
JEE Main 2019 (Online) 12th January Morning Slot
The output of the given logic circuit is :
A.
$\overline A B$
B.
$AB + \overline {AB} $
C.
$A\overline B + \overline A B$
D.
$A\overline B $
2019
JEE Mains
MCQ
JEE Main 2019 (Online) 11th January Evening Slot
The circuit shown below contains two ideal diodes, each with a forward resistance of 50 $\Omega $. If the battery voltage is 6 V, the current through the 100 $\Omega $ resistance (in Amperes) is :
A.
0.027
B.
0.030
C.
0.036
D.
0.020
2019
JEE Mains
MCQ
JEE Main 2019 (Online) 11th January Morning Slot
In the given circuit the current through Zener Diode is close to:
A.
0.0 mA
B.
6.7 mA
C.
4.0 mA
D.
6.0 mA
2019
JEE Mains
MCQ
JEE Main 2019 (Online) 10th January Evening Slot
For the circuit shown below, the current through the Zener diode is -
A.
5 mA
B.
zero
C.
14 mA
D.
9 mA
2019
JEE Mains
MCQ
JEE Main 2019 (Online) 10th January Morning Slot
To get output 1 at R, for the given logic gate circuit the input values must be
A.
x = 0, y = 0
B.
x = 1, y = 0
C.
x = 0, y = 1
D.
x = 1, y = 1
2019
JEE Mains
MCQ
JEE Main 2019 (Online) 9th January Evening Slot
Ge and Si diodes start conducting at 0.3 V and 0.7 V respectively. In the following figure if Ge diode connection are reversed, the value of V0 changes by : (assume that the Ge diode has large breakdown voltage)
A.
0.8 V
B.
0.6 V
C.
0.2 V
D.
0.4 V
2019
JEE Mains
MCQ
JEE Main 2019 (Online) 9th January Morning Slot
Mobility of electrons in a semiconductor is defined as the ratio of their drift velocity to the applied electric field. If, for an n-type semiconductor, the density of electrons is 1019 m$-$3 and their mobility is 1.6 m2/(V.s) then the resistivity of the semiconductor (since it is an n-type semiconductor contribution of holes is ignored) is close to :
A.
$2\,\Omega $m
B.
4$\,\Omega $m
C.
0.4 $\,\Omega $m
D.
0.2 $\,\Omega $m
2018
JEE Mains
MCQ
JEE Main 2018 (Online) 16th April Morning Slot
In the given circuit, the current through zener diode is :
A.
5.5 mA
B.
6.7 mA
C.
2.5 mA
D.
3.3 mA
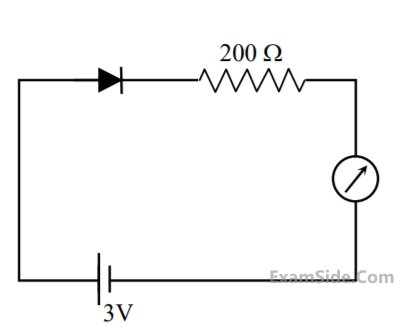
2018
JEE Mains
MCQ
JEE Main 2018 (Offline)
The reading of the ammeter for a silicon diode in the given circuit
is :
A.
13.5 mA
B.
0
C.
15 mA
D.
11.5 mA
2018
JEE Mains
MCQ
JEE Main 2018 (Online) 15th April Evening Slot
Truth table for the following digital circuit will be :
A.
B.
C.
D.



Vbreakdwon = 6V, RL = 4k$\Omega $, Ri = 1 k$\Omega $

