An inductor stores 16 J of magnetic field energy and dissipates 32 W of thermal energy due to its resistance when an a.c. current of 2 A (rms) and frequency 50 Hz flows through it. The ratio of inductive reactance to its resistance is ______. ($\pi = 3.14$)
Explanation:
Energy stored ( U ) in inductor is $\mathrm{U}=16 \mathrm{~J}$
Power dissipated in resistance is $\mathrm{P}=32 \mathrm{~W}$
RMS current in the circuit is $\mathrm{I}_{\mathrm{rms}}=2 \mathrm{~A}$
Frequency (f) of the ac source is $f=50 \mathrm{~Hz}$

Power is dissipated only through the resistive component of the inductor.
$ \mathrm{P}=\mathrm{I}_{\mathrm{rms}}^2 \cdot \mathrm{R} $
$\Rightarrow $ $32=(2)^2 \cdot \mathrm{R} \Rightarrow 32=4 \mathrm{R} \Rightarrow \mathrm{R}=8 \Omega$
Magnetic energy is stored in the inductor.
$ \mathrm{U}=\frac{1}{2} \mathrm{~L} \cdot i^2 $
Where $L$ is the self inductance of the inductor and $i$ is the current through it. As the current source is AC, so energy stored is equivalent to current corresponding to the DC source, $i=i_{\text {rms }}$
Substituting the values in energy formula :
$ \mathrm{U}=\frac{1}{2} \mathrm{~L}\left(\mathrm{I}_{\mathrm{rms}}^2\right) $
$\Rightarrow $ $16=\frac{L}{2} \cdot(2)^2 \Rightarrow 16=2 L $
$\Rightarrow $ $ L=8 H$
The inductive reactance $\left(X_L\right)$ given as $X_L=\omega L=2 \pi f L$
$ X_L=2 \times 3.14 \times 50 \times 8 $
$\Rightarrow $ $X_L=2512 \Omega $
So the ratio of $\left(\frac{X_L}{R}\right)$ is,
$ \frac{X_L}{R}=\frac{2512}{8}=314 $
Therefore, the ratio of the inductive reactance to the resistance of the inductor is 314.
Hence, the correct answer is $\mathbf{3 1 4}$.
Using a variable frequency a.c. voltage source the maximum current measured in the given LCR circuit is 50 mA for $V=5 \sin (100 t)$ The values of $L$ and $R$ are shown in the figure. The capacitance of the capacitor ( C ) used is $\_\_\_\_$ $\mu \mathrm{F}$.
Explanation:
In a series LCR circuit, the current reaches its maximum value when the circuit is at resonance.
At resonance the inductive reactance $\left(X_L\right)$ equals the capacitive reactance $\left(X_C\right)$.
The total impedance $(\mathrm{Z})$ is $\mathrm{Z}=\sqrt{\mathrm{R}^2+\left(\mathrm{X}_{\mathrm{L}}-\mathrm{X}_{\mathrm{C}}\right)^2}=\mathrm{R}$, purely resistive and minimum.
So, the peak current is given by $\mathrm{I}_0=\frac{\mathrm{V}_0}{\mathrm{Z}}=\frac{\mathrm{V}_0}{\mathrm{R}}$.
From the given equation of a.c. voltage is $\mathrm{V}=5 \sin (100 \mathrm{t})$. So, the peak voltage is $\mathrm{V}_0=5 \mathrm{~V}$
The resistance is $\mathrm{R}=100 \Omega=\mathrm{Z}$.
So, the calculated value of peak current is
$ \mathrm{I}_0=\frac{5}{100}=0.05 \mathrm{~A}=50 \mathrm{~mA} . $
This shows that the circuit is in resonance state.
From the voltage equation $\mathrm{V}=5 \sin (100 \mathrm{t})$,
$ \omega=100 \mathrm{rad} / \mathrm{s} $
Using the resonance condition $\mathrm{X}_{\mathrm{L}}=\mathrm{X}_{\mathrm{C}}$ :
$\omega L=\frac{1}{\omega C}$
$\Rightarrow $ $ C=\frac{1}{\omega^2 L} $
Putting the values, we get
$ C=\frac{1}{(100)^2 \times 2}=\frac{1}{20000} F=\frac{10^6}{20000} \mu F=50 \mu F $
Therefore, the capacitance of the capacitor is $50 \mu \mathrm{~F}$. Hence, the correct answer is 50.
Explanation:
To calculate the average power dissipated in the circuit, we follow these steps:
Formula for Power:
$ P = V_{\text{rms}} \times I_{\text{rms}} \times \cos \phi $
Expressing Power in Terms of Voltage and Impedance:
$ P = V_{\text{rms}} \times \frac{V_{\text{rms}}}{Z} \times \frac{R}{Z} $
Simplifying the Expression:
$ P = \frac{V_{\text{rms}}^2 \times R}{Z^2} $
Calculate Impedance (Z):
The impedance of the circuit (Z) is calculated as:
$ Z = \sqrt{R^2 + (X_L - X_C)^2} $
Given:
- $ X_L = 100 \, \Omega $
- $ X_C = 50 \, \Omega $
- $ R = 50 \, \Omega $
$ X_L - X_C = 100 \, \Omega - 50 \, \Omega = 50 \, \Omega $
Thus:
$ Z = \sqrt{50^2 + 50^2} = 50\sqrt{2} \, \Omega $
Substitute Values to Find Power (P):
Given $ V_{\text{rms}} = 10 \, \text{V} $, we calculate $ P $ as follows:
$ P = \frac{10^2 \times 50}{(50\sqrt{2})^2} $
Simplifying further:
$ P = \frac{100 \times 50}{2500 \times 2} = 1 \, \text{W} $
Therefore, the average power dissipated by the circuit is $ 1 \, \text{W} $.
For ac circuit shown in figure, $\mathrm{R}=100 \mathrm{k} \Omega$ and $\mathrm{C}=100 \mathrm{pF}$ and the phase difference between $\mathrm{V}_{\text {in }}$ and $\left(\mathrm{V}_{\mathrm{B}}-\mathrm{V}_{\mathrm{A}}\right)$ is $90^{\circ}$. The input signal frequency is $10^x \mathrm{rad} / \mathrm{sec}$, where ' $x$ ' is __________ .

Explanation:
Input voltage

$\begin{aligned} & \theta+\theta=90^{\circ} ; \theta=45^{\circ} \\ & \tan \theta=\frac{\mathrm{X}_{\mathrm{C}}}{\mathrm{R}} \\ & \mathrm{X}_{\mathrm{C}}=\mathrm{R} \Rightarrow \frac{1}{\mathrm{~W}_{\mathrm{C}}}=\mathrm{R} \\ & \mathrm{~W}=\frac{1}{\mathrm{R}_{\mathrm{C}}}=\frac{1}{100 \times 10^3 \times 100 \times 10^{-12}} \\ & =\frac{10^{12}}{10^7}=10^5 \end{aligned}$
An inductor of self inductance 1 H is connected in series with a resistor of $100 \pi$ ohm and an ac supply of $100 \pi$ volt, 50 Hz . Maximum current flowing in the circuit is _________ A.
Explanation:
Impedance of circuit
$\begin{aligned} & \mathrm{Z}=\sqrt{\mathrm{R}^2+\left(\mathrm{X}_{\mathrm{L}}\right)^2}=\sqrt{\mathrm{R}^2+\left(\omega_{\mathrm{L}}\right)^2} \\ & =\sqrt{(100 \pi)^2+(2 \pi \times 50 \times 1)^2} \\ & =\sqrt{(100 \pi)^2+(100 \pi)^2} \\ & =\sqrt{2} \times 100 \pi \\ & \mathrm{I}_{\mathrm{rms}}=\frac{\mathrm{V}}{2}=\frac{100 \pi}{\sqrt{2} \times 100 \pi}=\frac{1}{\sqrt{2}} \\ & \mathrm{I}_{\max }=\sqrt{2} \mathrm{I}_{\mathrm{rms}}=\sqrt{2} \times \frac{1}{\sqrt{2}}=1 \text { Ampere } \end{aligned}$
Correct Answer : 1
In a series LCR circuit, a resistor of $300 \Omega$, a capacitor of 25 nF and an inductor of 100 mH are used. For maximum current in the circuit, the angular frequency of the ac source is _________ $\times 10^4$ radians $\mathrm{s}^{-1}$
Explanation:
$ \omega = \frac{1}{\sqrt{LC}} $
For a series LCR circuit, the maximum current occurs at resonance, where the inductive reactance equals the capacitive reactance. Given the values:
Inductance: $ L = 100 \, \text{mH} = 0.1 \, \text{H} $
Capacitance: $ C = 25 \, \text{nF} = 25 \times 10^{-9} \, \text{F} $
we first calculate the product $ LC $:
$ LC = 0.1 \times 25 \times 10^{-9} = 2.5 \times 10^{-9} $
Next, compute the square root of the product:
$ \sqrt{LC} = \sqrt{2.5 \times 10^{-9}} $
Recognize that:
$ \sqrt{2.5 \times 10^{-9}} = \sqrt{2.5} \times \sqrt{10^{-9}} \approx 1.581 \times 10^{-4.5} $
Since $ 10^{-4.5} = 3.162 \times 10^{-5} $, we have:
$ \sqrt{LC} \approx 1.581 \times 3.162 \times 10^{-5} \approx 5.0 \times 10^{-5} $
Now, the angular frequency at resonance becomes:
$ \omega = \frac{1}{5.0 \times 10^{-5}} = 2.0 \times 10^{4} \, \text{radians/s} $
Thus, the angular frequency of the AC source for maximum current in the circuit is:
$ \omega = 2 \times 10^4 \, \text{radians/s} $
A capacitor of reactance $4 \sqrt{3} \Omega$ and a resistor of resistance $4 \Omega$ are connected in series with an ac source of peak value $8 \sqrt{2} \mathrm{~V}$. The power dissipation in the circuit is __________ W.
Explanation:
To calculate the power dissipation in the circuit, we follow a systematic approach. We're provided with the reactance of the capacitor ($X_C = 4 \sqrt{3} \Omega$), the resistance ($R = 4 \Omega$), and the peak value of the AC voltage source ($V_{peak} = 8 \sqrt{2} V$). The power dissipated in an AC circuit is primarily through the resistive component, as inductors and capacitors store and release energy but do not dissipate it as heat.
First, we need to determine the effective impedance of the series circuit, which combines the resistance (R) and the capacitive reactance (X_C) in a series configuration. We calculate the impedance (Z) using the formula:
$Z = \sqrt{R^2 + X_C^2}$
Plugging in the given values:
$Z = \sqrt{(4)^2 + (4 \sqrt{3})^2}$
$Z = \sqrt{16 + 48} = \sqrt{64} = 8 \Omega$
Next, we convert the peak voltage to RMS (root mean square) voltage because power calculations in AC circuits are performed using RMS values. The formula to convert peak voltage ($V_{peak}$) to RMS voltage ($V_{RMS}$) is:
$V_{RMS} = \frac{V_{peak}}{\sqrt{2}}$
Plugging in the given peak voltage value:
$V_{RMS} = \frac{8 \sqrt{2}}{\sqrt{2}} = 8 \, \mathrm{V}$
Now, to find the RMS current ($I_{RMS}$) in the circuit, we use Ohm's law as applied to AC circuits, which is $I_{RMS} = \frac{V_{RMS}}{Z}$:
$I_{RMS} = \frac{8}{8} = 1 \, \mathrm{A}$
Finally, the power dissipated in the circuit is calculated using the formula for power in resistive components of an AC circuit, which is $P = I_{RMS}^2 \times R$:
$P = (1)^2 \times 4 = 4 \, \mathrm{W}$
Therefore, the power dissipation in the circuit is 4 W.
When a coil is connected across a $20 \mathrm{~V}$ dc supply, it draws a current of $5 \mathrm{~A}$. When it is connected across $20 \mathrm{~V}, 50 \mathrm{~Hz}$ ac supply, it draws a current of $4 \mathrm{~A}$. The self inductance of the coil is __________ $\mathrm{mH}$. (Take $\pi=3$)
Explanation:
Let's first determine the resistance of the coil when connected to a DC supply. The current drawn by the coil in a DC circuit can be used to calculate its resistance using Ohm's law:
$R = \frac{V}{I}$
Given the DC supply voltage $V_{DC} = 20 \, \mathrm{V}$ and the current $I_{DC} = 5 \, \mathrm{A}$, the resistance $R$ is:
$R = \frac{20 \, \mathrm{V}}{5 \, \mathrm{A}} = 4 \, \Omega$
Next, let's use the information given for the AC supply. When connected to an AC supply, the coil's impedance $Z$ can be determined using the given current. The total voltage and current in an AC circuit are related to the impedance by the formula:
$Z = \frac{V}{I}$
Given the AC supply voltage $V_{AC} = 20 \, \mathrm{V}$ and the current $I_{AC} = 4 \, \mathrm{A}$, the impedance $Z$ is:
$Z = \frac{20 \, \mathrm{V}}{4 \, \mathrm{A}} = 5 \, \Omega$
The impedance $Z$ of the coil in an AC circuit is composed of both the resistance $R$ and the inductive reactance $X_L$, related by:
$Z = \sqrt{R^2 + X_L^2}$
We already know that $R = 4 \, \Omega$. We can now solve for the inductive reactance $X_L$:
$5 = \sqrt{4^2 + X_L^2}$
Squaring both sides of the equation:
$25 = 16 + X_L^2$
Solving for $X_L$:
$X_L^2 = 25 - 16$
$X_L^2 = 9$
$X_L = \sqrt{9}$
$X_L = 3 \, \Omega$
The inductive reactance $X_L$ is also related to the inductance $L$ and the angular frequency $\omega$ by the formula:
$X_L = \omega L$
where $\omega = 2 \pi f$. Given the frequency $f = 50 \, \mathrm{Hz}$ and using $\pi = 3$, we find:
$\omega = 2 \times 3 \times 50$
$\omega = 300 \, \mathrm{rad/s}$
Now we can solve for the inductance $L$:
$X_L = 300 L$
$3 = 300 L$
$L = \frac{3}{300}$
$L = 0.01 \, \mathrm{H}$
Since $1 \, \mathrm{H} = 1000 \, \mathrm{mH}$, the self inductance of the coil is:
$L = 0.01 \, \mathrm{H} \times 1000 \, \mathrm{mH/H} = 10 \, \mathrm{mH}$
Therefore, the self inductance of the coil is $10 \, \mathrm{mH}$.
An alternating emf $\mathrm{E}=110 \sqrt{2} \sin 100 \mathrm{t}$ volt is applied to a capacitor of $2 \mu \mathrm{F}$, the rms value of current in the circuit is ________ $\mathrm{mA}$.
Explanation:
To determine the RMS (Root Mean Square) value of the current in the circuit, we start by analyzing the given emf and the capacitive reactance.
The given alternating emf is:
$\mathrm{E} = 110 \sqrt{2} \sin 100 \mathrm{t} \, \text{volts}$
Here, the peak voltage (or maximum voltage) $\mathrm{E_{max}}$ is:
$\mathrm{E_{max}} = 110 \sqrt{2} \, \text{volts}$
Next, the RMS value of the voltage, $\mathrm{E_{rms}}$, is obtained by dividing the peak voltage by $\sqrt{2}$:
$\mathrm{E_{rms}} = \frac{\mathrm{E_{max}}}{\sqrt{2}} = \frac{110 \sqrt{2}}{\sqrt{2}} = 110 \, \text{volts}$
We are given a capacitor with a capacitance $C = 2 \mu \mathrm{F} = 2 \times 10^{-6} \, \text{F}$ and we need to determine the RMS current. The capacitive reactance $\mathrm{X_C}$ is given by:
$\mathrm{X_C} = \frac{1}{\omega C}$
where $\omega$ is the angular frequency. From the given formula for emf, we see that:
$\omega = 100 \, \text{rad/s}$
Therefore, the capacitive reactance is:
$\mathrm{X_C} = \frac{1}{100 \times (2 \times 10^{-6})} = \frac{1}{200 \times 10^{-6}} = 5000 \, \Omega$
Now, we can calculate the RMS value of the current $\mathrm{I_{rms}}$ using Ohm's law for AC circuits, which states:
$\mathrm{I_{rms}} = \frac{\mathrm{E_{rms}}}{\mathrm{X_C}}$
Substituting the known values:
$\mathrm{I_{rms}} = \frac{110}{5000} = 0.022 \, \text{A} = 22 \, \text{mA}$
Hence, the RMS value of the current in the circuit is $22 \, \text{mA}$.
For a given series LCR circuit it is found that maximum current is drawn when value of variable capacitance is $2.5 \mathrm{~nF}$. If resistance of $200 \Omega$ and $100 \mathrm{~mH}$ inductor is being used in the given circuit. The frequency of ac source is _________ $\times 10^3 \mathrm{~Hz}$ (given $\mathrm{a}^2=10$)
Explanation:
To solve this problem, we need to use the concept of resonance in an LCR (inductor-capacitor-resistor) circuit. At resonance, the inductive reactance and capacitive reactance cancel each other out. The condition for resonance in an LCR circuit is given by:
$\omega L = \frac{1}{\omega C}$
Where:
- $\omega$ is the angular frequency
- $L$ is the inductance
- $C$ is the capacitance
Rewriting for angular frequency:
$\omega^2 = \frac{1}{LC}$
The angular frequency $\omega$ is related to the frequency $ f $ by:
$\omega = 2 \pi f$
Substituting this into the equation for angular frequency gives:
$ (2 \pi f)^2 = \frac{1}{LC} $
Therefore, the frequency $ f $ can be found by:
$ f = \frac{1}{2 \pi \sqrt{LC}} $
Given values:
- Inductance, $L = 100 \mathrm{~mH} = 100 \times 10^{-3} \mathrm{~H}$
- Capacitance, $C = 2.5 \mathrm{~nF} = 2.5 \times 10^{-9} \mathrm{~F}$
Plug these values into the frequency equation:
$ f = \frac{1}{2 \pi \sqrt{(100 \times 10^{-3}) (2.5 \times 10^{-9})}} $
First, calculate the product of $ L $ and $ C $:
$ L \cdot C = 100 \times 10^{-3} \cdot 2.5 \times 10^{-9} = 2.5 \times 10^{-10} $
Now, take the square root of the product:
$ \sqrt{2.5 \times 10^{-10}} = \sqrt{2.5} \times 10^{-5} $
Given that $ \mathrm{a}^2 = 10 $, we have:
$ \mathrm{a} = \sqrt{10} $
Since $ \sqrt{2.5} = \frac{\sqrt{10}}{2} $:
$ \sqrt{2.5} \times 10^{-5} = \frac{\sqrt{10}}{2} \times 10^{-5} $
Now substitute back into the frequency formula:
$ f = \frac{1}{2 \pi \left( \frac{\sqrt{10}}{2} \times 10^{-5} \right) } = \frac{1}{\pi \sqrt{10} \times 10^{-5}} $
Simplify the equation:
$ f = \frac{10^5}{\pi \sqrt{10}} $
Given that $ \pi \approx 3.14 $, we get:
$ f \approx \frac{10^5}{3.14 \times 3.162} $
Simplify further:
$ f \approx \frac{10^5}{9.93} \approx 10 \times 10^3 \mathrm{~Hz} $
Thus, the frequency of the AC source is approximately:
$ 10 \times 10^3 \mathrm{~Hz} $
When a $d c$ voltage of $100 \mathrm{~V}$ is applied to an inductor, a $d c$ current of $5 \mathrm{~A}$ flows through it. When an ac voltage of $200 \mathrm{~V}$ peak value is connected to inductor, its inductive reactance is found to be $20 \sqrt{3} \Omega$. The power dissipated in the circuit is _________ W.
Explanation:
To determine the power dissipated in the circuit, follow these steps:
- Calculate the resistance (R) using the DC current:
$ R = \frac{100 \, \text{V}}{5 \, \text{A}} = 20 \, \Omega $
- Determine the impedance (Z) by considering both resistance (R) and inductive reactance ($X_L$):
$ Z = \sqrt{R^2 + X_L^2} = \sqrt{20^2 + (20\sqrt{3})^2} = 40 \, \Omega $
- Compute the peak current ($I_0$) using the AC peak voltage ($V_0$):
$ I_0 = \frac{V_0}{Z} = \frac{200 \, \text{V}}{40 \, \Omega} = 5 \, \text{A} $
- Calculate the power (P) using the RMS values of voltage and current, and consider the phase angle ($\cos \phi$):
$ P = V_{\text{rms}} \cdot I_{\text{rms}} \cdot \cos \phi = \frac{V_0 \cdot I_0}{2} \times \frac{R}{Z} = \frac{200 \cdot 5}{2} \times \frac{20}{40} = 250 \, \text{W} $
An ac source is connected in given series LCR circuit. The rms potential difference across the capacitor of $20 \mu \mathrm{F}$ is __________ V.

Explanation:
$\begin{aligned} & \left(V_{r m s}\right)_c=\frac{V_{r m s}}{Z} X_c \\ & =\frac{50}{\sqrt{(500-100)^2+300^2}} \times 500 \\ & =50 \mathrm{~V} \end{aligned}$
A alternating current at any instant is given by $i=[6+\sqrt{56} \sin (100 \pi t+\pi / 3)]$ A. The $r m s$ value of the current is ______ A.
Explanation:
The given alternating current (AC) can be represented as $i=6+\sqrt{56} \sin (100 \pi t+\pi / 3)$ A, where $6$ is the DC component and $\sqrt{56} \sin (100 \pi t+\pi / 3)$ is the AC component of the current. The RMS (Root Mean Square) value of an alternating current is a measure of the equivalent direct current (DC) that will produce the same power in a resistor. The RMS value is mostly relevant for the AC component of the current, as the DC component's effective value is just its magnitude itself.
The RMS value of the total current is not straightforward because the presence of the DC component affects how we calculate the RMS value. However, when calculating RMS values for a signal consisting of a superposition of AC and DC components, one notable property is that the RMS value of the combined signal is the square root of the sum of the squares of the RMS values of the separate AC and DC components.
First, let's acknowledge the components separately:
- The DC component is: $6$ A
- The AC component is: $\sqrt{56} \sin (100 \pi t+\pi / 3)$ A
For the DC component, the RMS value is simply its magnitude:
$I_{RMS, DC} = 6$ A
For the AC component, the RMS value is calculated using the formula for the RMS value of a sinusoidal function, which is $I_{RMS} = \frac{I_{max}}{\sqrt{2}}$, where $I_{max}$ is the peak value of the current. In this case, $I_{max} = \sqrt{56}$.
Therefore, the RMS value of the AC component is:
$I_{RMS, AC} = \frac{\sqrt{56}}{\sqrt{2}} = \frac{\sqrt{56}}{\sqrt{2}} = \sqrt{\frac{56}{2}} = \sqrt{28}$ A.
Finally, to find the total RMS value of the current, combine the DC and AC components as follows:
$I_{RMS} = \sqrt{{(I_{RMS, DC})}^2 + {(I_{RMS, AC})}^2}$
Substituting the values:
$I_{RMS} = \sqrt{{(6)}^2 + {(\sqrt{28})}^2}$
$= \sqrt{36 + 28}$
$= \sqrt{64}$
$= 8$ A.
Therefore, the RMS value of the current is $8$ A.
A power transmission line feeds input power at $2.3 \mathrm{~kV}$ to a step down transformer with its primary winding having 3000 turns. The output power is delivered at $230 \mathrm{~V}$ by the transformer. The current in the primary of the transformer is $5 \mathrm{~A}$ and its efficiency is $90 \%$. The winding of transformer is made of copper. The output current of transformer is _________ $A$.
Explanation:
$\begin{aligned} & P_i=2300 \times 5 \text { watt } \\ & P_0=2300 \times 5 \times 0.9=230 \times I_2 \\ & I_2=45 A \end{aligned}$
A series LCR circuit with $\mathrm{L}=\frac{100}{\pi} \mathrm{mH}, \mathrm{C}=\frac{10^{-3}}{\pi} \mathrm{F}$ and $\mathrm{R}=10 \Omega$, is connected across an ac source of $220 \mathrm{~V}, 50 \mathrm{~Hz}$ supply. The power factor of the circuit would be ________.
Explanation:
$\begin{aligned} & \mathrm{X}_{\mathrm{c}}=\frac{1}{\omega \mathrm{C}}=\frac{\pi}{2 \pi \times 50 \times 10^{-3}}=10 \Omega \\ & \mathrm{X}_{\mathrm{L}}=\omega \mathrm{L}=2 \pi \times 50 \times \frac{100}{\pi} \times 10^{-3} \\ & =10 \Omega \\ & \because \mathrm{X}_{\mathrm{C}}=\mathrm{X}_{\mathrm{L}}, \text { Hence, circuit is in resonance } \\ & \therefore \text { power factor }=\frac{\mathrm{R}}{\mathrm{Z}}=\frac{\mathrm{R}}{\mathrm{R}}=1 \end{aligned}$
In the given figure, an inductor and a resistor are connected in series with a battery of emf E volt. $\frac{E^{a}}{2 b} \mathrm{~J} / s$ represents the maximum rate at which the energy is stored in the magnetic field (inductor). The numerical value of $\frac{b}{a}$ will be __________.

Explanation:
Rate of energy storing $=\frac{d E}{d t}=L I \frac{d I}{d t}$
Now we Know for $R-L$ circuit
$ I=\frac{E}{R}\left(1-e^{-t \frac{R}{L}}\right) $
So $\frac{d I}{d t}=\frac{E}{L} e^{-\frac{t R}{L}}$
$ \frac{d E}{d t}=\frac{E^2}{R}\left(1-e^{-\frac{t R}{L}}\right)\left(e^{-t \frac{R}{L}}\right) $
Time at which rate of power storing will be $\max$
$ \mathrm{t}=\frac{L}{R \ln 2} $
So $\frac{d E}{d t}=\frac{E^2}{R}\left(1-\frac{1}{2}\right) \times \frac{1}{2}$
$ \Rightarrow \frac{E^2}{4 R}=\frac{E^2}{100}=\frac{E^2}{2 \times 50} $
$ a=2, b=50 $
So $\frac{b}{a}=25$
A coil has an inductance of $2 \mathrm{H}$ and resistance of $4 ~\Omega$. A $10 \mathrm{~V}$ is applied across the coil. The energy stored in the magnetic field after the current has built up to its equilibrium value will be ___________ $\times 10^{-2} \mathrm{~J}$.
Explanation:
To find the energy stored in the magnetic field after the current has built up to its equilibrium value, we first need to find the steady-state current in the coil.
When the current reaches its equilibrium value, the coil behaves like a resistor because the back-emf induced by the changing magnetic field is zero. Ohm's law can be applied:
$I = \frac{V}{R}$
where
- $I$ is the current
- $V$ is the voltage across the coil (10 V)
- $R$ is the resistance of the coil (4 Ω)
Plugging in the values:
$I = \frac{10}{4}$ $I = 2.5 \mathrm{~A}$
Now that we have the steady-state current, we can find the energy stored in the magnetic field using the formula:
$W = \frac{1}{2}LI^2$
where
- $W$ is the energy stored in the magnetic field
- $L$ is the inductance of the coil (2 H)
- $I$ is the steady-state current (2.5 A)
Plugging in the values:
$W = \frac{1}{2}(2)(2.5)^2$
$W = 1(6.25)$
$W = 6.25 \mathrm{~J}$
To express this in terms of $10^{-2} \mathrm{~J}$, divide by $10^{-2}$:
$6.25 \div 10^{-2} = 625$
Therefore, the energy stored in the magnetic field after the current has built up to its equilibrium value is 625$\times 10^{-2} \mathrm{~J}$.
A series combination of resistor of resistance $100 ~\Omega$, inductor of inductance $1 ~\mathrm{H}$ and capacitor of capacitance $6.25 ~\mu \mathrm{F}$ is connected to an ac source. The quality factor of the circuit will be __________
Explanation:
The Q factor (quality factor) in a series RLC circuit can be given by the formula:
$ Q = \frac{X_L}{R} = \frac{\omega L}{R} $
where ($X_L$) is the inductive reactance, (R) is the resistance, (L) is the inductance, and ($\omega$) is the angular frequency.
In a series RLC circuit at resonance, the resonant frequency (f) is given by
$ f = \frac{1}{2\pi\sqrt{LC}} $
or equivalently, the angular frequency ($\omega$) at resonance is
$ \omega = \frac{1}{\sqrt{LC}} $
Substituting (L = 1H) and ($C = 6.25 \mu F = 6.25 \times 10^{-6} F$) into the equation for (\omega) gives
$\omega = \frac{1}{\sqrt{1H \times 6.25 \times 10^{-6}F}}$ = 400 rad/s
Substituting ($\omega = 400 rad/s$), (L = 1H), and ($R = 100\Omega$) into the equation for the Q factor gives
$ Q = \frac{\omega L}{R} = \frac{400 rad/s \times 1H}{100\Omega} = 4 $
So, the Q factor of the circuit is 4.
An oscillating LC circuit consists of a $75 ~\mathrm{mH}$ inductor and a $1.2 ~\mu \mathrm{F}$ capacitor. If the maximum charge to the capacitor is $2.7 ~\mu \mathrm{C}$. The maximum current in the circuit will be ___________ $\mathrm{mA}$
Explanation:
The maximum current in an LC circuit can be found using the following formula related to simple harmonic motion:
$I_{\text{max}} = \omega Q_{\text{max}}$,
where:
- $I_{\text{max}}$ is the maximum current,
- $\omega$ is the angular frequency, and
- $Q_{\text{max}}$ is the maximum charge on the capacitor.
The angular frequency $\omega$ for an LC circuit is given by:
$\omega = \frac{1}{\sqrt{LC}}$,
where:
- $L$ is the inductance, and
- $C$ is the capacitance.
Given that $L = 75 \, \text{mH} = 75 \times 10^{-3} \, \text{H}$, $C = 1.2 \, \mu \text{F} = 1.2 \times 10^{-6} \, \text{F}$,
and $Q_{\text{max}} = 2.7 \, \mu \text{C} = 2.7 \times 10^{-6} \, \text{C}$,
we can substitute these values into the formulas to find $I_{\text{max}}$:
$\omega = \frac{1}{\sqrt{(75 \times 10^{-3})(1.2 \times 10^{-6})}} = 3333.33 \, \text{rad/s}$,
$I_{\text{max}} = \omega Q_{\text{max}} = 3333.33 \times 2.7 \times 10^{-6} = 0.009 \, \text{A}$.
Therefore, the maximum current in the circuit is $0.009 \, \text{A}$, or equivalently, $9 \, \text{mA}$.
An ideal transformer with purely resistive load operates at $12 ~\mathrm{kV}$ on the primary side. It supplies electrical energy to a number of nearby houses at $120 \mathrm{~V}$. The average rate of energy consumption in the houses served by the transformer is 60 $\mathrm{kW}$. The value of resistive load $(\mathrm{Rs})$ required in the secondary circuit will be ___________ $\mathrm{m} \Omega$.
Explanation:
The power delivered to the houses is given as 60 kW. This power is supplied at a voltage of 120 V. The power consumed in a resistive load can be found using the formula $P = V^2/R$, where P is the power, V is the voltage, and R is the resistance.
We can rearrange this formula to solve for the resistance:
$R = V^2/P$
Substituting the given values gives:
$R = (120 \, \text{V})^2 / 60,000 \, \text{W} = 0.24 \, \Omega$
Since we want the resistance in milliohms (mΩ), we can convert this to milliohms by multiplying by 1000:
$R = 0.24 \, \Omega \times 1000 = 240 \, m\Omega$
So, the value of resistive load required in the secondary circuit is 240 mΩ.
A square shaped coil of area $70 \mathrm{~cm}^{2}$ having 600 turns rotates in a magnetic field of $0.4 ~\mathrm{wbm}^{-2}$, about an axis which is parallel to one of the side of the coil and perpendicular to the direction of field. If the coil completes 500 revolution in a minute, the instantaneous emf when the plane of the coil is inclined at $60^{\circ}$ with the field, will be ____________ V. (Take $\pi=\frac{22}{7}$)
Explanation:
$ \mathrm{B}=0.4 \mathrm{~T} $
$f=\frac{500 \text { revolution }}{60 \text { minute }}=\frac{500}{60} \frac{\text { rev. }}{\mathrm{sec} .}$
Induced emf in rotating coil is given by
$ \begin{aligned} & e=N \omega B A \sin \theta \\\\ & =600 \times 2 \times \frac{22}{7} \times \frac{500}{60} \times 0.4 \times 70 \times 10^{-4} \sin 30^{\circ} \\\\ & =600 \times 2 \times \frac{22}{7} \times \frac{500}{6} \times 0.4 \times 70 \times 10^{-4} \times \frac{1}{2} \\\\ & =44 \text { Volt } \end{aligned} $
A series LCR circuit is connected to an ac source of $220 \mathrm{~V}, 50 \mathrm{~Hz}$. The circuit contain a resistance $\mathrm{R}=100 ~\Omega$ and an inductor of inductive reactance $\mathrm{X}_{\mathrm{L}}=79.6 ~\Omega$. The capacitance of the capacitor needed to maximize the average rate at which energy is supplied will be _________ $\mu \mathrm{F}$.
Explanation:
So in LCR circuit power will be maximum at the condition of resonance and in resonance condition
$ \begin{aligned} & \therefore X_{L}=X_{C} \\\\ & 79.6=\frac{1}{2 \pi(50) \times C} \\\\ & C=\frac{1}{79.6 \times 2 \pi(50)} \\\\ & \approx 40 \mu \mathrm{F} \end{aligned} $
voltage is 2500 $\cos (100 \pi \mathrm{t}) \mathrm{V}$. The amplitude of current, in the circuit, is _________ A.
Explanation:
$ \begin{aligned} & \text { So } Z=\sqrt{R^{2}+\left(X_{L}-X_{C}\right)^{2}} \\\\ & =\sqrt{80^{2}+(100-40)^{2}} \\\\ & =100 \Omega \\\\ & i_{0}=\frac{V_{0}}{Z}=\frac{2500}{100} \mathrm{~A}=25 \mathrm{~A} \end{aligned} $
An inductor of $0.5 ~\mathrm{mH}$, a capacitor of $20 ~\mu \mathrm{F}$ and resistance of $20 ~\Omega$ are connected in series with a $220 \mathrm{~V}$ ac source. If the current is in phase with the emf, the amplitude of current of the circuit is $\sqrt{x}$ A. The value of $x$ is ___________
Explanation:
So, $\mathrm{Z}=\mathrm{R}=20 \Omega$
$ \begin{aligned} & \mathrm{i}_{\mathrm{rms}}=\frac{220}{20}=11 \\\\ & \mathrm{i}_{\max }=11 \sqrt{2}=\sqrt{242} \end{aligned} $
$\left(\right.$ Take $\left.\pi=\frac{22}{7}\right)$
Explanation:
$\phi=B.A$
$\phi=\mathrm{BNA}\cos\omega t$
So, $Emf = {{ - d\phi } \over {dt}} = NBA\omega \sin \omega t$
So maximum value of emf is
${E_{\max }} = NBA\omega $
$ = 100 \times 3 \times 14 \times {10^{ - 2}} \times {{360 \times 2\pi } \over {60}} = 1584$
An inductor of inductance 2 $\mathrm{\mu H}$ is connected in series with a resistance, a variable capacitor and an AC source of frequency 7 kHz. The value of capacitance for which maximum current is drawn into the circuit $\frac{1}{x}\mathrm{F}$, where the value of $x$ is ___________.
(Take $\pi=\frac{22}{7}$)
Explanation:
Current drawn is maximum when circuit is in resonance.
$\omega = {1 \over {\sqrt {LC} }}$
$2\pi (7000) = {1 \over {\sqrt {2 \times {{10}^{ - 6}}C} }}$
$ \Rightarrow C = {1 \over {3872}}F$
A series LCR circuit is connected to an AC source of 220 V, 50 Hz. The circuit contains a resistance R = 80$\Omega$, an inductor of inductive reactance $\mathrm{X_L=70\Omega}$, and a capacitor of capacitive reactance $\mathrm{X_C=130\Omega}$. The power factor of circuit is $\frac{x}{10}$. The value of $x$ is :
Explanation:
So, $x=8$
An LCR series circuit of capacitance 62.5 nF and resistance of 50 $\Omega$, is connected to an A.C. source of frequency 2.0 kHz. For maximum value of amplitude of current in circuit, the value of inductance is __________ mH.
(Take $\pi^2=10$)
Explanation:
$ \begin{aligned} & \therefore X_{L}=X_{C} \\\\ & \omega L=\frac{1}{\omega C} \\\\ & L=\frac{1}{\omega^{2} C} \\\\ & =\frac{1}{\left(2 \pi \times 2 \times 10^{3}\right)^{2} \times 62.5 \times 10^{-9}} \\\\ & =100 ~\mathrm{mH} \end{aligned} $
In the circuit shown in the figure, the ratio of the quality factor and the band width is ___________ s.

Explanation:
Quality factor $Q=\frac{1}{R} \sqrt{\frac{L}{C}}$
So $\frac{Q}{\Delta \omega}=\frac{\frac{1}{R} \sqrt{\frac{L}{C}}}{\frac{R}{L}}$
$ \begin{aligned} & =\frac{L^{\frac{3}{2}}}{R^{2} \sqrt{C}} \\\\ & =\frac{3^{\frac{3}{2}}}{10^{2}\left(27 \times 10^{-6}\right)^{\frac{1}{2}}} \\\\ & =\frac{3 \sqrt{3}}{100\left(3 \sqrt{3} \times 10^{-3}\right)} \\\\ & =10 \end{aligned} $
A capacitor of capacitance 500 $\mu$F is charged completely using a dc supply of 100 V. It is now connected to an inductor of inductance 50 mH to form an LC circuit. The maximum current in LC circuit will be _______ A.
Explanation:

At steady state charge stored on the capacitor,
${q_{\max }} = CV$
$ = 500 \times {10^{ - 6}} \times 100$
$ = 5 \times {10^{ - 2}}\,C$

Energy stored in the capacitor,
${U_{\max }} = {{q_{\max }^2} \over {2C}}$
Now, when electrostatic energy of capacitor converted to magnetic field energy then all energy of capacitor is transferrd to the inductor.
$\therefore$ Maximum energy stored in the inductor
${U_{L\,\max }} = {1 \over 2}L\,I_{\max }^2$
$\therefore$ ${1 \over 2}L\,I_{\max }^2 = {{q_{\max }^2} \over {2C}}$
$ \Rightarrow {I_{\max }} = {{{q_{\max }}} \over {\sqrt {LC} }}$
$ = {{5 \times {{10}^{ - 2}}} \over {\sqrt {50 \times {{10}^{ - 3}} \times 500 \times {{10}^{ - 6}}} }}$
$ = {{5 \times {{10}^{ - 2}}} \over {5 \times {{10}^{ - 3}}}}$
$ = 10\,A$
The frequencies at which the current amplitude in an LCR series circuit becomes $\frac{1}{\sqrt{2}}$ times its maximum value, are $212\,\mathrm{rad} \,\mathrm{s}^{-1}$ and $232 \,\mathrm{rad} \,\mathrm{s}^{-1}$. The value of resistance in the circuit is $R=5 \,\Omega$. The self inductance in the circuit is __________ $\mathrm{mH}$.
Explanation:
${i \over {{i_{\max }}}} = {1 \over {\sqrt 2 }}$
$ = {{{{{V_0}} \over Z}} \over {{{{V_0}} \over R}}}$
$ \Rightarrow {R \over Z} = {1 \over {\sqrt 2 }}$
and ${1 \over {212C}} - 212L = 232L - {1 \over {232C}}$
so $212L = {1 \over {232C}}$
so ${R \over {\sqrt {{R^2} + {{\left( {232L + {1 \over {232C}}} \right)}^2}} }} = {1 \over {\sqrt 2 }}$
${{{R^2}} \over {{R^2} + {{(20L)}^2}}} = {1 \over 2}$
$400{L^2} = {R^2}$
$L = {5 \over {20}}$
$H = {5 \over {20}} \times 1000$ mH
$= 250$ mH
To light, a $50 \mathrm{~W}, 100 \mathrm{~V}$ lamp is connected, in series with a capacitor of capacitance $\frac{50}{\pi \sqrt{x}} \mu F$, with $200 \mathrm{~V}, 50 \mathrm{~Hz} \,\mathrm{AC}$ source. The value of $x$ will be ___________.
Explanation:
${X_C} = {1 \over {wc}} = {{\pi \sqrt x } \over {2\pi \times 50 \times 50}} \times {10^6}$
$v_R^2 + v_C^2 = {(200)^2}$
$v_C^2 = {200^2} - {100^2}$
${v_C} = 100\sqrt 3 \,V$
${v_R} = 100\,V$
$P = {{{V^2}} \over R}$
$R = {{100 \times 100} \over {50}} = 200\,\Omega $
${i_{rm}} = {1 \over 2}\,A$
${1 \over 2} \times {x_C} = 100\sqrt 3 \Rightarrow {10^{ - 6}} \times {{\sqrt x } \over {5000}} \times {1 \over 2} = 100\sqrt 3 $
${{{{10}^{ - 6}}\sqrt x } \over {10000 \times 100}} = \sqrt 3 $
$\sqrt x = \sqrt 3 $
$x = 3$
The effective current I in the given circuit at very high frequencies will be ___________ A.

Explanation:
Equivalent circuit will be

$I = {{220} \over 5} = 44\,A$
A series LCR circuit with $R = {{250} \over {11}}\,\Omega $ and ${X_L} = {{70} \over {11}}\,\Omega $ is connected across a 220 V, 50 Hz supply. The value of capacitance needed to maximize the average power of the circuit will be _________ $\mu$F. (Take : $\pi = {{22} \over 7}$)
Explanation:
$ \begin{aligned} &\text { power factor }=\cos \theta=1\\\\ & \therefore \frac{R}{Z}=1 \\\\ &R^{2}=Z^{2} \\\\ &R^{2}=\left(\mathrm{X}_{\mathrm{L}}-\mathrm{X}_{\mathrm{C}}\right)^{2}+\mathrm{R}^{2} \\\\ &\mathrm{X}_{\mathrm{L}}=\mathrm{X}_{\mathrm{C}} \\\\ &\frac{70}{11}=\frac{1}{100 \pi \times C} \\\\ &\Rightarrow C=\frac{11}{7000 \pi}=500 \times 10^{-6} F=500 \mu F \end{aligned} $
An inductor of 0.5 mH, a capacitor of 200 $\mu$F and a resistor of 2 $\Omega$ are connected in series with a 220 V ac source. If the current is in phase with the emf, the frequency of ac source will be ____________ $\times$ 102 Hz.
Explanation:
Current will be in phase with emf when
$\omega L = {1 \over {\omega C}}$
$ \Rightarrow \omega = {1 \over {\sqrt {LC} }} = {1 \over {\sqrt {5 \times {{10}^{ - 4}} \times 2 \times {{10}^{ - 4}}} }}$
$ \Rightarrow \omega = {{{{10}^4}} \over {\sqrt {10} }}$ rad/s
$ \Rightarrow f = {1 \over {2\pi }} \times {{{{10}^4}} \over {\sqrt {10} }}$ Hz
$\Rightarrow$ f $\simeq$ 500 Hz
In the given circuit, the magnitude of VL and VC are twice that of VR. Given that f = 50 Hz, the inductance of the coil is ${1 \over {K\pi }}$ mH. The value of K is ____________.
Explanation:
${V_L} = 2{V_R}$
So $\omega Li = 2\,Ri$
$ \Rightarrow L = {{2R} \over \omega } = {{2 \times 5} \over {2\pi \times 50}} = {1 \over {10\pi }}H = {{100} \over \pi }H$
So $k = {1 \over {100}} \simeq 0$
An AC source is connected to an inductance of 100 mH, a capacitance of 100 $\mu$F and a resistance of 120 $\Omega$ as shown in figure. The time in which the resistance having a thermal capacity 2 J/$^\circ$C will get heated by 16$^\circ$C is _____________ s.

Explanation:
L = 100 $\times$ 10$-$3 H
C = 100 $\times$ 10$-$6 F
R = 120 $\Omega$
$\omega$L = 10 $\Omega$
${1 \over {\omega C}} = {1 \over {{{10}^4} \times {{10}^{ - 6}}}} = 100\,\Omega $
$\Rightarrow$ XC $-$ XL = 90 $\Omega$
$ \Rightarrow Z = \sqrt {{{90}^2} + {{120}^2}} = 150\,\Omega $
$ \Rightarrow {I_{rms}} = {{20} \over {150}} = {2 \over {15}}A$
For heat resistance by 16$^\circ$C heat required = 32 J
$ \Rightarrow {\left( {{2 \over {15}}} \right)^2} \times (120) \times t = 32$
$t = {{32 \times 15 \times 15} \over {4 \times 120}} = 15$
A telegraph line of length 100 km has a capacity of 0.01 $\mu$F/km and it carries an alternating current at 0.5 kilo cycle per second. If minimum impedance is required, then the value of the inductance that needs to be introduced in series is _____________ mH. (if $\pi$ = $\sqrt{10}$)
Explanation:
Total capacitance = 0.01 $\times$ 100 = 1 $\mu$F
$\omega$ = 500 $\times$ 2$\pi$ = 1000$\pi$ rad/s
$\omega L = {1 \over {\omega C}}$
$ \Rightarrow L = {1 \over {{\omega ^2}C}} = {1 \over {{{10}^6}{\pi ^2} \times {{10}^{ - 6}}}} = {1 \over {10}}H$ = 100 mH
A 220 V, 50 Hz AC source is connected to a 25 V, 5 W lamp and an additional resistance R in series (as shown in figure) to run the lamp at its peak brightness, then the value of R (in ohm) will be _____________.
Explanation:
${R_b} = {{{{(25)}^2}} \over 5} = 125\,\Omega $
${I_{rms}} = \sqrt {{5 \over {125}}} = {1 \over 5}A$
$ \Rightarrow {{220} \over {R + 125}} = {1 \over 5}$
$ \Rightarrow R = 1100 - 125$
$ = 975\,\Omega $
A 110 V, 50 Hz, AC source is connected in the circuit (as shown in figure). The current through the resistance 55 $\Omega$, at resonance in the circuit, will be __________ A.

Explanation:
At resonance, $\mathrm{X}_{\mathrm{L}}=\mathrm{X}_{\mathrm{C}} \& \mathrm{Z} \rightarrow \infty$
$\therefore \mathrm{Z}_{\text {total circuit }} \rightarrow \infty$
i.e, $\mathrm{I}=0$
In a series LCR circuit, the inductance, capacitance and resistance are L = 100 mH, C = 100 $\mu$F and R = 10 $\Omega$ respectively. They are connected to an AC source of voltage 220 V and frequency of 50 Hz. The approximate value of current in the circuit will be ___________ A.

Explanation:
$Z = \sqrt {{R^2} + {{({x_L} + {x_C})}^2}} $
$ = \sqrt {{{10}^2} + {{\left[ {10\pi - {{100} \over \pi }} \right]}^2}} \,\Omega $
$ \simeq 10\,\Omega $
$\Rightarrow$ Current $ = {{220} \over {10}}$ A = 22 A
As shown in the figure an inductor of inductance 200 mH is connected to an AC source of emf 220 V and frequency 50 Hz. The instantaneous voltage of the source is 0 V when the peak value of current is ${{\sqrt a } \over \pi }$ A. The value of $a$ is ___________.

Explanation:
${I_{rms}} = {{{V_{rms}}} \over z}$
$z = {X_2} = {\omega _2}$
$ = 2\pi \times 50 \times {{200} \over {1000}}$
$ = 20\,\pi $
$\therefore$ ${I_{rms}} = {{220} \over {20\pi }} = {{11} \over \pi }$
$\therefore$ ${I_{peak}} = \sqrt 2 \times {{11} \over \pi }$
$ = {{\sqrt {2 \times 121} } \over \pi }$
$ = {{\sqrt {242} } \over \pi }$
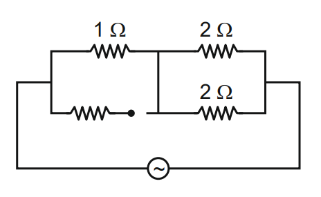
Explanation:
f is very large
$\therefore$ XL is very large hence open circuit.
${X_C} = {1 \over {2\pi fC}}$
f is very large.
$\therefore$ XC is very small, hence short circuit.
Final circuit

$ \therefore $ ${Z_{eq}} = 1 + {{2 \times 2} \over {2 + 2}} = 2$
Explanation:

$\cos \phi = {R \over {\sqrt {{R^2} + 3{R^2}} }}$
$ = {1 \over {\sqrt {10} }}$
$\cos \phi ' = {R \over {\sqrt {{R^2} + {R^2}} }}$
$ = {1 \over {\sqrt 2 }}$
${{\cos \phi '} \over {\cos \phi }} = {{\sqrt {10} } \over {\sqrt 2 }} = {{\sqrt 5 } \over 1}$
$\therefore$ x = 1
The r.m.s. value of of this current is ................. A.
Explanation:
$ = {\left( {{{\sqrt {42} } \over {\sqrt 2 }}} \right)^2} + {10^2}$
$ = 121 \Rightarrow {f_{rms}}$ = 11 A
Explanation:
When T1 and T3 are connected then current through inductor remains same. So potential difference across 3$\Omega$
V = Ir = 1 $\times$ 3 = 3 Volt
Explanation:
${P_{avg}} = {{v_{rms}^2} \over R}$
${{v_{rms}^2} \over {{Z^2}}} \times R = {{v_{rms}^2} \over R} \times 1$
${R^2} = {Z^2}$
$25 = {\left( {\sqrt {{{({x_C} - {x_L})}^2} + {5^2}} } \right)^2}$
$ = 25{({x_C} - {x_L})^2} + 25$
${x_C} = {x_L} \Rightarrow {1 \over {\omega C}} = \omega L$
${\omega ^2} = {1 \over {LC}} = {{{{10}^6}} \over {0.1 \times 40}}$
$\omega = 500$
Explanation:
For LR - decay circuit
$I = {I_{\max }}{e^{ - Rt/L}}$
$I = 2mA{e^{{{ - 10 \times {{10}^3} \times 1 \times {{10}^{ - 6}}} \over {10 \times {{10}^{ - 3}}}}}}$
I = 2mA e$-$1
I = 2 $\times$ 0.37 mA
$I = {{74} \over {100}}$ mA
x = 74
Explanation:
Z = R so ${i_{rms}} = {V \over Z} = {V \over R}$
${{{V^2}} \over R} = {{250 \times 250} \over 5} = 125 \times {10^2}W$
Explanation:
Inductance, L = 30 mH
Resistance, R = 1 $\Omega$
Angular frequency, $\omega$ = 300 rad/s
We know that in L-C-R circuit, $\tan \phi = {{{X_C} - {X_L}} \over R}$
where, $\phi$ = phase angle = 45$^\circ$
XC = capacitive reactance = ${1 \over {\omega C}}$
XL = inductive reactance = $\omega$L
$\Rightarrow$ $\tan 45^\circ = {{{X_C} - {X_L}} \over R}$
$ \Rightarrow {X_C} - {X_L} = R$ [$\because$ tan 45$^\circ$ = 1]
$ \Rightarrow {1 \over {\omega C}} - \omega L = R \Rightarrow {1 \over {\omega C}} - 300 \times 30 \times {10^{ - 3}} = 1$
$ \Rightarrow {1 \over {\omega C}} = 10 \Rightarrow \omega C = {1 \over {10}}$
$ \Rightarrow C = {1 \over {10\omega }} \Rightarrow C = {1 \over {10 \times 300}}$
$ \Rightarrow C = {1 \over 3} \times {10^{ - 3}}F$ .... (i)
According to question, the value of capacitance is ${1 \over x} \times {10^{ - 3}}F$. So, on comparing it with Eq. (i), we can say x = 3.