2015
NEET
MCQ
AIPMT 2015 Cancelled Paper
A potentiometer wire has length 4 m and resistance 8 $\Omega $. The resistance that must be connected in series with the wire and an accumulator of e.m.f. 2 V, so as to get a potential gradient 1 mV per cm on the wire is
A.
44 $\Omega $
B.
48 $\Omega $
C.
32 $\Omega $
D.
40 $\Omega $
2015
NEET
MCQ
AIPMT 2015 Cancelled Paper
A, B and C are voltmeters of resistance R, 1.5 R and 3R respectively as shown in the figure. When some potential difference is applied between X and Y, the voltmeter readings are VA, VB and VC respectively, Then
A.
VA = VB $ \ne $ VC
B.
VA $ \ne $ VB $ \ne $ VC
C.
VA = VB = VC
D.
VA $ \ne $ VB = VC
2014
NEET
MCQ
AIPMT 2014
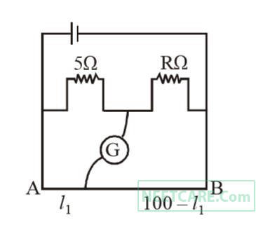
The resistances in the two arms of the meter bridge are 5 $\Omega $ and R$\Omega $ respectively. When the resistance R is shunted with an equal resistance, the new balance point is at 1.6$l$1. The resistance R is
A.
10 $\Omega $
B.
15 $\Omega $
C.
20 $\Omega $
D.
25 $\Omega $
2014
NEET
MCQ
AIPMT 2014
Two cities are 150 km apart. Electric power is sent from one city to another city through copper wires. The fall of potential per km is 8 volt and the average resistance per km is 0.5 $\Omega $. The power loss in the wire is
A.
19.2 W
B.
19.2 kW
C.
19.2 J
D.
12.2 kW
2014
NEET
MCQ
AIPMT 2014
A potentiometer circuit has been set up for finding the internal resistance of a given cell. The main battery, used across the potentiometer wire, has an emf of 2.0 V and a negligible internal resistance. The potentiometer wire itself is 4 m long. When the resistance R, connected across the given cell, has values of (i) infinity, (ii) 9.5 $\Omega $
the balancing lengths on the potentiometer wire are found to be 3 m and 2.85 m, respectively. The value of internal resistance of the cell is
the balancing lengths on the potentiometer wire are found to be 3 m and 2.85 m, respectively. The value of internal resistance of the cell is
A.
0.25 $\Omega $
B.
0.95 $\Omega $
C.
0.5 $\Omega $
D.
0.75 $\Omega $
2013
NEET
MCQ
NEET 2013 (Karnataka)
Ten identical cells connected in series are needed to heat a wire of length one meter and radius 'r' by 10oC in time 't'. How many cells will be required to heat the wire of length two meter of the same radius by the same temperature in time 't' ?
A.
20
B.
30
C.
40
D.
10
2013
NEET
MCQ
NEET 2013 (Karnataka)
Two rods are joined end to end, as shown. Both have a cross-sectional area of 0.01 cm2. Each is 1 meter long. One rod is of copper with a resistivity of 1.7 $ \times $ 10$-$6 ohm-centimeter, the other is of iron with a resistivity of 10$-$5 ohm-centimeter.
How much voltage is required to produce a current of 1 ampere in the rods?
How much voltage is required to produce a current of 1 ampere in the rods?
A.
0.00145 V
B.
0.0145 V
C.
1.7 $ \times $ 10$-$6 V
D.
0.117 V
2013
NEET
MCQ
NEET 2013 (Karnataka)
A 12 cm wire is given a shape of a right angled triangle ABC having sides 3 cm, 4 cm and 5 cm as shown in the figure. The resistance between two ends (AB, BC, CA) of the respective sides are measuread one by one ratio
A.
9 : 16 : 25
B.
27 : 32 : 35
C.
21 : 24 : 25
D.
3 : 4 : 5
2013
NEET
MCQ
NEET 2013
The resistances of the four arms P, Q, R and S in a Wheatstone's bridge are 10 ohm, 30 ohm, 30 ohm and 90 ohm, respectively. The e.m.f. and internal resistance of the cell are 7 volt and 5 ohm respectively. If the galvanometer resistance is 50 ohm, the current drawn from the celll will be
A.
0.1 A
B.
2.0 A
C.
1.0 A
D.
0.2 A
2013
NEET
MCQ
NEET 2013
A wire of resistance 4 $\Omega $ is stretched to twice its original length. The resistance of stretched wire would be
A.
8 $\Omega $
B.
16 $\Omega $
C.
2 $\Omega $
D.
4 $\Omega $
2013
NEET
MCQ
NEET 2013
The internal resistance of a 2.1 V cell which gives a current of 0.2 A through a resistance of 10 $\Omega $ is
A.
0.8 $\Omega $
B.
1.0 $\Omega $
C.
0.2 $\Omega $
D.
0.5 $\Omega $
2012
NEET
MCQ
AIPMT 2012 Mains
A cell having an emf $\varepsilon $ and internal resistance r is connected across a variable external resistance R. As the resistance R is increased, the plot of potential difference V across R is given by
A.
B.
C.
D.
2012
NEET
MCQ
AIPMT 2012 Mains
The power dissipated in the circuit shown in the figure is 30 watts. The value of R is
A.
20 $\Omega $
B.
15 $\Omega $
C.
10 $\Omega $
D.
30 $\Omega $
2012
NEET
MCQ
AIPMT 2012 Prelims
In the circuit shown the cells A and B have negligible resistances. For VA = 12 V, R1 = 500 $\Omega $ and R = 100 $\Omega $ the galvanometer (G) shows no deflection. The value of Vs is


A.
4 V
B.
2 V
C.
12 V
D.
6 V
2012
NEET
MCQ
AIPMT 2012 Prelims
If voltage across a bulb rated 220 volt-100 watt drops by 2.5% of its rated value, the percentage of the rated value by which the power would decrease is
A.
20%
B.
2.5%
C.
5%
D.
10%
2012
NEET
MCQ
AIPMT 2012 Prelims
A ring is made of a wire having a resistance R0 = 12 $\Omega $. Find the points A and B, as shown in the figure, at which a current carrying conductor should be connected so that the resistance R of the sub circuit between these point is equal to ${8 \over 3}\Omega $.
A.
${{{l_1}} \over {{l_2}}} = {5 \over 8}$
B.
${{{l_1}} \over {{l_2}}} = {1 \over 3}$
C.
${{{l_1}} \over {{l_2}}} = {3 \over 8}$
D.
${{{l_1}} \over {{l_2}}} = {1 \over 2}$
2011
NEET
MCQ
AIPMT 2011 Mains
In the circuit shown in the figure, if the potential at point A is taken to be zero, the potential at point B is
A.
+1 V
B.
$-$1 V
C.
+2 V
D.
$-$2 V
2011
NEET
MCQ
AIPMT 2011 Mains
A thermocouple of negligible resistance
produces an e.m.f. of 40 µV/ºC in the linear range
of temperature. A galvanometer of resistance 10
ohm whose sensitivity is 1 µA/division, is
employed with the thermocouple. The smallest
value of temperature difference that can be
detected by the system will be
A.
1ºC
B.
0.5 ºC
C.
0.1ºC
D.
0.25ºC
2011
NEET
MCQ
AIPMT 2011 Prelims
A current of 2 A flows through a 2 $\Omega $ resistor when connected across a battery a 2 $\Omega $ resistor when connected across a battery. The same battery supplies a current of 0.5 A when connected across a 9 $\Omega $ resistor. The internal resistance of the battery is
A.
0.5 $\Omega $
B.
1/3 $\Omega $
C.
1/4 $\Omega $
D.
1 $\Omega $
2011
NEET
MCQ
AIPMT 2011 Prelims
If power dissipated in the 9 $\Omega $ resistor in the circuit shown is 36 watt, the potential difference across the 2 $\Omega $ resistor is
A.
4 volt
B.
8 volt
C.
10 volt
D.
2 volt
2010
NEET
MCQ
AIPMT 2010 Prelims
A potentiometer circuit is set up as shown. The potential gradient, across the potentiometer wire, is k volt/cm and the ammeter, present in the circuit, reads 1.0 A when two way key is switched off. The balance points, when the key between the terminals (i) 1 and 2 (ii) 1 and 3, is plugged in, are found to be at length $l$1 cm and $l$2 cm respectively. The magnitudes, of the resistors R and X, in ohms, are then, equal, respectively, to
A.
$k({l_2} - {l_1})$ and $k{l_2}$
B.
$k{l_1}$ and $k({l_2} - {l_1})$
C.
$k\left( {{l_2} - {l_1}} \right)$ and $k{l_1}$
D.
$k{l_1}$ and $k{l_2}$
2010
NEET
MCQ
AIPMT 2010 Prelims
Consider the following two statements.
(A) Kirchoff's junction law follows from the conservation of charge.
(B) Kirchhoff's loop law follows from the conservation of energy.
Which of the following is correct?
(A) Kirchoff's junction law follows from the conservation of charge.
(B) Kirchhoff's loop law follows from the conservation of energy.
Which of the following is correct?
A.
Both (A) and (B) are wrong
B.
(A) is correct and (B) is wrong
C.
(A) is wrong and (B) is correct
D.
Both (A) and (B) are correct
2009
NEET
MCQ
AIPMT 2009
A wire of resistance 12 ohms per meter is bent to form a complete circle of radius 10 cm. The resistance between its two diametrically opposite points, A and B as shown in the figure is
A.
$3\,\Omega $
B.
$6\pi \,\Omega $
C.
$6\,\Omega $
D.
$0.6\pi \,\Omega $
2009
NEET
MCQ
AIPMT 2009
The mean free path of electrons in a metal is 4 $ \times $ 10$-$8 m. The electric field which can give on an average 2 eV energy to an electron in the metal will be in units V/m
A.
$5 \times {10^{ - 11}}$
B.
8 $ \times $ 10$-$11
C.
5 $ \times $ 107
D.
8 $ \times $ 107
2009
NEET
MCQ
AIPMT 2009
See the electrical circuit shown in this figure. Which of the following equations is a correct equation for it ?
A.
${\varepsilon _2} - {i_2}{r_2} - {\varepsilon _1} - {i_1}{r_1} = 0$
B.
$ - {\varepsilon _2} - \left( {{i_1} + {i_2}} \right)R + {i_2}{r_2} = 0$
C.
${\varepsilon _1} - \left( {{i_1} + {i_2}} \right)R + {i_1}{r_1} = 0$
D.
${\varepsilon _1} - \left( {{i_1} + {i_2}} \right)R - {i_1}{r_1} = 0$
2009
NEET
MCQ
AIPMT 2009
A student measures the terminal potential difference (V) of a cell (of emf $\varepsilon $ and internal resistance r) as a function of the current (I) flowing through it. The slope, and intercept, of the graph between V and I, then respectively, equal
A.
$-$ r and $\varepsilon $
B.
r and $-$ $\varepsilon $
C.
$-$ $\varepsilon $ and r
D.
$\varepsilon $ and $-$ r
2008
NEET
MCQ
AIPMT 2008
In the circuit shown, the current through the 4 $\Omega $ resistor is 1 amp when the points P and M are connected to a d.c. voltage source. The potential difference betwen the points M and N is
A.
0.5 volt
B.
3.2 volt
C.
1.5 volt
D.
1.0 volt
2008
NEET
MCQ
AIPMT 2008
A wire of a certain material is stretched slowly by ten percent. Its new resistance and specific resistance become respectively
A.
both remain the same
B.
1.1 times, 1.1 times
C.
1.2 times, 1.1 times
D.
1.21 times, same
2008
NEET
MCQ
AIPMT 2008
A cell can be balanced against 110 cm and 100 cm of potentiometer wire, respectively with and without being short circuited through a resistance of 10 $\Omega $. Its internal resistance is
A.
2.0 ohm
B.
zero
C.
1.0 ohm
D.
0.5 ohm
2008
NEET
MCQ
AIPMT 2008
A current of 3 amp. flows through the 2 $\Omega $ resistor shown in the circuit. The power dissipated in the 5 $\Omega $ resistor is
A.
1 watt
B.
5 watt
C.
4 watt
D.
2 watt
2008
NEET
MCQ
AIPMT 2008
An electric kettle takes 4 A current at 220 V. How much time will it take to boil 1 kg of water from temperature 20oC ? The temperature of boiling water is 100oC
A.
12.6 min
B.
4.2 min
C.
6.3 min
D.
8.4 min
2007
NEET
MCQ
AIPMT 2007
The total power dissipated in watt in the circuit shown here is
A.
40
B.
54
C.
4
D.
16
2007
NEET
MCQ
AIPMT 2007
Three resistances, P, Q, R each of 2$\Omega $ and an unknown resistance S from the four arms of a Wheatstone bridge circuit. When a resistance of 6 $\Omega $ is connected in parallel to S the bridge gets balanced. What is the value of S?
A.
3 $\Omega $
B.
6 $\Omega $
C.
1 $\Omega $
D.
2 $\Omega $.
2006
NEET
MCQ
AIPMT 2006
Power dissipated across the 8 $\Omega $ resistor in the circuit shown here is 2 watt. The power dissipated in watt units across the 3 $\Omega $ resistor is
A.
3.0
B.
2.0
C.
1.0
D.
0.5
2006
NEET
MCQ
AIPMT 2006
Kirchoff's first and second laws of electrical circuits are consequences of
A.
conservation of energy and electric charge respectively
B.
conservation of energy
C.
conservation of electric charhge and energy respectively
D.
conservation of electric charge.
2006
NEET
MCQ
AIPMT 2006
Two cells, having the same e.m.f. are connected in series through an external resistance R. Cells have internal resistances r1 and r2 (r1 > r2) respectively. When the circuit is closed, the potential difference across the first cell is zero. The value of R is
A.
r1 + r2
B.
r1 $-$ r2
C.
${{{r_1} + {r_2}} \over 2}$
D.
${{{r_1} - {r_2}} \over 2}$
2006
NEET
MCQ
AIPMT 2006
In the circuit shown, if a conducting wire is connected between points A and B, the current in this wire will
A.
flow from B to A
B.
flow from A to B
C.
flow in the direction which will be decided by the value of V be zero.
D.
be zero
2005
NEET
MCQ
AIPMT 2005
For the network shown in the figure the value of the current $i$ is
A.
${{9V} \over {35}}$
B.
${{18V} \over 5}$
C.
${{5V} \over 9}$
D.
${{5V} \over {18}}$
2005
NEET
MCQ
AIPMT 2005
A 5-ampere fuse wire can withstand a maximum power of 1 watt in the circuit. The resistance of the fuse wire is
A.
0.04 ohm
B.
0.2 ohm
C.
5 ohm
D.
0.4 ohm
2005
NEET
MCQ
AIPMT 2005
When a wire of uniform cross-section $a$ length $l$ and resistance R is bent into a complete circle. resistance between any two of diametrically opposite points will be
A.
R/4
B.
4R
C.
R/8
D.
R/2
2005
NEET
MCQ
AIPMT 2005
Two batteries, one of emf 18 volts and internal resistance 2 $\Omega $ and the other of emf 12 volts and internal resistance 1 $\Omega $, are connected as shown. The voltmeter V will record a reading of
A.
30 volt
B.
18 volt
C.
15 volt
D.
14 volt
2004
NEET
MCQ
AIPMT 2004
A 6 volt battery is connected to the terminals of a three metre long wire of uniform thickness and resistance of 100 ohm. The difference of potential between two points on the wire separated by a distance of 50 cm will be
A.
2 volt
B.
3 volt
C.
1 volt
D.
1.5 volt
2004
NEET
MCQ
AIPMT 2004
In India electricity is supplied for domestic use at 220 V. It is supplied at 110 V in USA. If the resistance of a 60 W bulb for use in India is R, the resistance of a 60 W bulb for use in USA will be
A.
R
B.
2R
C.
R/4
D.
R/2
2004
NEET
MCQ
AIPMT 2004
Five equal resistances each of resistances R are connected as shown in the figure. A battery of V volts is connected between A and B. The current flowing in AFCEB will be
A.
${{3V} \over R}$
B.
${V \over R}$
C.
${V \over {2R}}$
D.
${{2V} \over R}$
2004
NEET
MCQ
AIPMT 2004
The electric resistance of a certain wire of iron is R. If its length and radius are both doubled, then
A.
The resistance will be doubled and the specific resistance will be halved.
B.
The resistance will be halved and the specific resistance will remain unchanged.
C.
The resistance will be halved and the specific resistance will be doubled.
D.
The resistance and the specific resistance, will both remain unchanged.
2004
NEET
MCQ
AIPMT 2004
Resistance n, each of r ohm, when connected in parallel give an equivalent resistance of R ohm. If these resistances were connected in series, the combination would have a resistance in ohms, equal to
A.
n2R
B.
R/n2
C.
R/n
D.
nR
2004
NEET
MCQ
AIPMT 2004
when three identical bulbs of 60 watt, 200 volt rating are connected in series to a 200 volt supply, the power drawn by them will be
A.
60 watt
B.
180 watt
C.
10 watt
D.
20 watt
2003
NEET
MCQ
AIPMT 2003
Fuse wire is a wire of
A.
high resistance and high melting point
B.
high resistance and low melting point
C.
low resistance and low melting point
D.
low resistance and high melting point
2003
NEET
MCQ
AIPMT 2003
An electric kettle has two heating coils. When one of the coils is connected to an a.c. source, the water in the kettle boils in 10 minutes. When the other coil is used the water boils in 40 minutes. If both the coils are connected in parallel, the time taken by the same quantity of water to boil will be
A.
8 minutes
B.
4 minutes
C.
25 minutes
D.
15 minutes
2003
NEET
MCQ
AIPMT 2003
Two 220 volt, 100 watt bulbs are connected first in series and then in parallel. Each time the combination is connected to a 220 volt a.c. supply line. The power drawn by the combination in each case respectively will be
A.
50 watt, 100 watt
B.
100 watt, 50 watt
C.
200 watt, 150 watt
D.
50 watt, 200 watt














