2021
JEE Mains
MCQ
JEE Main 2021 (Online) 27th July Evening Shift
A simple pendulum of mass 'm', length 'l' and charge '+ q' suspended in the electric field produced by two conducting parallel plates as shown. The value of deflection of pendulum in equilibrium position will be
A.
${\tan ^{ - 1}}\left[ {{q \over {mg}} \times {{{C_1}({V_2} - {V_1})} \over {({C_1} + {C_2})(d - t)}}} \right]$
B.
${\tan ^{ - 1}}\left[ {{q \over {mg}} \times {{{C_2}({V_2} - {V_1})} \over {({C_1} + {C_2})(d - t)}}} \right]$
C.
${\tan ^{ - 1}}\left[ {{q \over {mg}} \times {{{C_2}({V_1} + {V_2})} \over {({C_1} + {C_2})(d - t)}}} \right]$
D.
${\tan ^{ - 1}}\left[ {{q \over {mg}} \times {{{C_1}({V_1} + {V_2})} \over {({C_1} + {C_2})(d - t)}}} \right]$
2021
JEE Mains
MCQ
JEE Main 2021 (Online) 27th July Morning Shift

A capacitor of capacitance C = 1 $\mu$F is suddenly connected to a battery of 100 volt through a resistance R = 100 $\Omega$. The time taken for the capacitor to be charged to get 50 V is :
[Take ln 2 = 0.69]
A.
1.44 $\times$ 10$-$4 s
B.
3.33 $\times$ 10$-$4 s
C.
0.69 $\times$ 10$-$4 s
D.
0.30 $\times$ 10$-$4 s
2021
JEE Mains
MCQ
JEE Main 2021 (Online) 27th July Morning Shift
In the reported figure, a capacitor is formed by placing a compound dielectric between the plates of parallel plate capacitor. The expression for the capacity of the said capacitor will be :
(Given area of plate = A)
(Given area of plate = A)
A.
${{15} \over {34}}{{K{\varepsilon _0}A} \over d}$
B.
${{15} \over 6}{{K{\varepsilon _0}A} \over d}$
C.
${{25} \over 6}{{K{\varepsilon _0}A} \over d}$
D.
${9 \over 6}{{K{\varepsilon _0}A} \over d}$
2021
JEE Mains
MCQ
JEE Main 2021 (Online) 27th July Morning Shift
Two capacitors of capacities 2C and C are joined in parallel and charged up to potential V. The battery is removed and the capacitor of capacity C is filled completely with a medium of dielectric constant K. The potential difference across the capacitors will now be :
A.
${V \over {K + 2}}$
B.
${V \over K}$
C.
${{3V} \over {K + 2}}$
D.
${{3V} \over K}$
2021
JEE Mains
MCQ
JEE Main 2021 (Online) 25th July Evening Shift
If qf is the free charge on the capacitor plates and qb is the bound charge on the dielectric slab of dielectric constant k placed between the capacitor plates, then bound charge qb an be expressed as :
A.
${q_b} = {q_f}\left( {1 - {1 \over {\sqrt k }}} \right)$
B.
${q_b} = {q_f}\left( {1 - {1 \over k}} \right)$
C.
${q_b} = {q_f}\left( {1 + {1 \over {\sqrt k }}} \right)$
D.
${q_b} = {q_f}\left( {1 + {1 \over k}} \right)$
2021
JEE Mains
MCQ
JEE Main 2021 (Online) 25th July Morning Shift
A parallel plate capacitor with plate area 'A' and distance of separation 'd' is filled with a dielectric. What is the capacity of the capacitor when permittivity of the dielectric varies as :
$\varepsilon (x) = {\varepsilon _0} + kx$, for $\left( {0 < x \le {d \over 2}} \right)$
$\varepsilon (x) = {\varepsilon _0} + k(d - x)$, for $\left( {{d \over 2} \le x \le d} \right)$
$\varepsilon (x) = {\varepsilon _0} + kx$, for $\left( {0 < x \le {d \over 2}} \right)$
$\varepsilon (x) = {\varepsilon _0} + k(d - x)$, for $\left( {{d \over 2} \le x \le d} \right)$
A.
${\left( {{\varepsilon _0} + {{kd} \over 2}} \right)^{2/kA}}$
B.
${{kA} \over {2\ln \left( {{{2{\varepsilon _0} + kd} \over {2{\varepsilon _0}}}} \right)}}$
C.
0
D.
${{kA} \over 2}\ln \left( {{{2{\varepsilon _0}} \over {2{\varepsilon _0} - kd}}} \right)$
2021
JEE Mains
MCQ
JEE Main 2021 (Online) 16th March Morning Shift
For changing the capacitance of a given parallel plate capacitor, a dielectric material of dielectric constant K is used, which has the same area as the plates of the capacitor. The thickness of the dielectric slab is ${3 \over 4}$d, where 'd' is the separation between the plates of parallel plate capacitor. The new capacitance (C') in terms of original capacitance (C0) is given by the following relation :
A.
$C' = {{3 + K} \over {4K}}{C_0}$
B.
$C' = {{4 + K} \over {3}}{C_0}$
C.
$C' = {{4K} \over {K + 3}}{C_0}$
D.
$C' = {{4} \over {3 + K}}{C_0}$
2021
JEE Mains
MCQ
JEE Main 2021 (Online) 26th February Morning Shift
Consider the combination of 2 capacitors C1 and C2 with C2 > C1, when connected in parallel, the equivalent capacitance is ${{15} \over 4}$ times the equivalent capacitance of the same connected in series. Calculate the ratio of capacitors, ${{{C_2}} \over {{C_1}}}$.
A.
${{15} \over {11}}$
B.
No Solutions
C.
${{29} \over {15}}$
D.
${{15} \over {4}}$
2021
JEE Mains
MCQ
JEE Main 2021 (Online) 25th February Evening Shift
An electron with kinetic energy K1 enters between parallel plates of a capacitor at an angle '$\alpha$' with the plates. It leaves the plates at angle '$\beta$' with kinetic energy K2. Then the ratio of kinetic energies K1 : K2 will be :
A.
${{{{\cos }^2}\beta } \over {{{\cos }^2}\alpha }}$
B.
${{\cos \beta } \over {\cos \alpha }}$
C.
${{{{\sin }^2}\beta } \over {{{\cos }^2}\alpha }}$
D.
${{\cos \beta } \over {\sin \alpha }}$
2021
JEE Mains
MCQ
JEE Main 2021 (Online) 24th February Morning Shift
Two equal capacitors are first connected in series and then in parallel. The ratio of the equivalent capacities in the two cases will be :
A.
4 : 1
B.
1 : 2
C.
2 : 1
D.
1 : 4
2020
JEE Mains
MCQ
JEE Main 2020 (Online) 6th September Morning Slot
For the given input voltage waveform Vin(t), the output voltage waveform V0(t), across the
capacitor is correctly depicted by :


A.
B.
C.
D.
2020
JEE Mains
MCQ
JEE Main 2020 (Online) 5th September Evening Slot
In the circuit shown, charge on the 5 $\mu $F
capacitor is :
A.
5.45 $\mu $C
B.
18.00 $\mu $C
C.
10.90 $\mu $C
D.
16.36 $\mu $C
2020
JEE Mains
MCQ
JEE Main 2020 (Online) 5th September Evening Slot
A parallel plate capacitor has plate of length
'l', width ‘w’ and separation of plates is ‘d’. It
is connected to a battery of emf V. A dielectric
slab of the same thickness ‘d’ and of dielectric
constant k = 4 is being inserted between the
plates of the capacitor. At what length of the
slab inside plates, will the energy stored in the
capacitor be two times the initial energy
stored?
A.
${l \over 4}$
B.
${l \over 2}$
C.
${{2l} \over 3}$
D.
${l \over 3}$
2020
JEE Mains
MCQ
JEE Main 2020 (Online) 5th September Morning Slot
Two capacitors of capacitances C and 2C are
charged to potential differences V and 2V,
respectively. These are then connected in
parallel in such a manner that the positive
terminal of one is connected to the negative
terminal of the other. The final energy of this
configuration is :
A.
Zero
B.
${3 \over 2}C{V^2}$
C.
${9 \over 2}C{V^2}$
D.
${{25} \over 6}C{V^2}$
2020
JEE Mains
MCQ
JEE Main 2020 (Online) 4th September Evening Slot
A capacitor C is fully charged with voltage V0. After disconnecting the voltage source, it is connected
in parallel with another uncharged capacitor of capacitance ${C \over 2}$. The energy loss in the process
after the charge is distributed between the two capacitors is :
A.
${1 \over 2}CV_0^2$
B.
${1 \over 4}CV_0^2$
C.
${1 \over 3}CV_0^2$
D.
${1 \over 6}CV_0^2$
2020
JEE Mains
MCQ
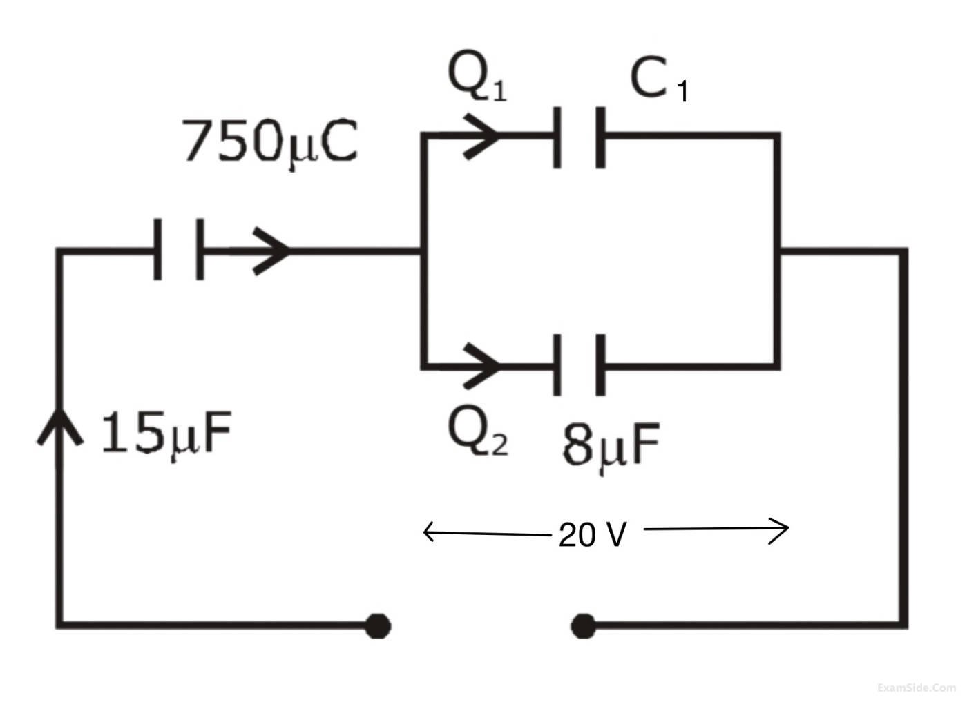
JEE Main 2020 (Online) 3rd September Morning Slot
In the circuit shown in the figure, the total charge is 750 $\mu $C and the voltage across capacitor C2
is
20 V. Then the charge on capacitor C2
is :
A.
160 $\mu $C
B.
450 $\mu $C
C.
590 $\mu $C
D.
650 $\mu $C
2020
JEE Mains
MCQ
JEE Main 2020 (Online) 2nd September Evening Slot
A 10 $\mu $F capacitor is fully charged to a potential
difference of 50 V. After removing the source
voltage it is connected to an uncharged
capacitor in parallel. Now the potential
difference across them becomes 20 V. The
capacitance of the second capacitor is :
A.
20 $\mu $F
B.
15 $\mu $F
C.
10 $\mu $F
D.
30 $\mu $F
2020
JEE Mains
MCQ
JEE Main 2020 (Online) 8th January Evening Slot
A capacitor is made of two square plates each
of side 'a' making a very small angle $\alpha $ between
them, as shown in figure. The capacitance will
be close to :
A.
${{{\varepsilon _0}{a^2}} \over d}\left( {1 + {{\alpha a} \over {d}}} \right)$
B.
${{{\varepsilon _0}{a^2}} \over d}\left( {1 - {{\alpha a} \over {4d}}} \right)$
C.
${{{\varepsilon _0}{a^2}} \over d}\left( {1 - {{\alpha a} \over {2d}}} \right)$
D.
${{{\varepsilon _0}{a^2}} \over d}\left( {1 - {{3\alpha a} \over {2d}}} \right)$
2020
JEE Mains
MCQ
JEE Main 2020 (Online) 8th January Morning Slot
Effective capacitance of parallel combination
of two capacitors C1 and C2 is 10 μF. When
these capacitors are individually connected to
a voltage source of 1V, the energy stored in the
capacitor C2 is 4 times that of C1. If these
capacitors are connected in series, their
effective capacitance will be :
A.
4.2 μF
B.
8.4 μF
C.
1.6 μF
D.
3.2 μF
2020
JEE Mains
MCQ
JEE Main 2020 (Online) 7th January Morning Slot
A parallel plate capacitor has plates of area A separated by distance 'd' between them. It is filled with a dielectric which has a dielectric constant that varies as k(x) = K(1 + $\alpha $x) where 'x' is the distance measured from one of the plates. If (ad) << 1, the total capacitance of the system is best given by the expression :
A.
${{A{ \in _0}K} \over d}\left( {1 + {{\left( {{{\alpha d} \over 2}} \right)}^2}} \right)$
B.
${{A{ \in _0}K} \over d}\left( {1 + {{\alpha d} \over 2}} \right)$
C.
${{A{ \in _0}K} \over d}\left( {1 + {{{\alpha ^2}{d^2}} \over 2}} \right)$
D.
${{A{ \in _0}K} \over d}\left( {1 + \alpha d} \right)$
2019
JEE Mains
MCQ
JEE Main 2019 (Online) 12th April Evening Slot
In the given circuit, the charge on 4 $\mu $F capacitor will be :
A.
5.4 $\mu $C
B.
9.6 $\mu $C
C.
13.4 $\mu $C
D.
24 $\mu $C
2019
JEE Mains
MCQ
JEE Main 2019 (Online) 12th April Morning Slot
Two identical parallel plate capacitors, of capacitance C each, have plates of area A, separated by a distance
d. The space between the plates of the two capacitors, is filled with three dielectrics, of equal thickness and
dielectric constants K1, K2 and K3. The first capacitor is filled as shown in fig.I, and the second one is filled
as shown in fig II.
If these two modified capacitors are charged by the same potential V, the ratio of the energy stored in the
two, would be (E1 refers to capacitor (I) and E2 to capacitor (II)):
A.
${{{E_1}} \over {{E_2}}} = {{\left( {{K_1} + {K_2} + {K_3}} \right)\left( {{K_2}{K_3} + {K_3}{K_1} + {K_1}{K_2}} \right)} \over {{K_1}{K_2}{K_3}}}$
B.
${{{E_1}} \over {{E_2}}} = {{{K_1}{K_2}{K_3}} \over {\left( {{K_1} + {K_2} + {K_3}} \right)\left( {{K_2}{K_3} + {K_3}{K_1} + {K_1}{K_2}} \right)}}$
C.
${{{E_1}} \over {{E_2}}} = {{\left( {{K_1} + {K_2} + {K_3}} \right)\left( {{K_2}{K_3} + {K_3}{K_1} + {K_1}{K_2}} \right)} \over {9{K_1}{K_2}{K_3}}}$
D.
${{{E_1}} \over {{E_2}}} = {{9{K_1}{K_2}{K_3}} \over {\left( {{K_1} + {K_2} + {K_3}} \right)\left( {{K_2}{K_3} + {K_3}{K_1} + {K_1}{K_2}} \right)}}$
2019
JEE Mains
MCQ
JEE Main 2019 (Online) 10th April Evening Slot
A simple pendulum of length L is placed between the plates of a parallel plate capacitor having electric field
E, as shown in figure. Its bob has mass m and charge q. The time period of the pendulum is given by :
A.
$2\pi \sqrt {{L \over {\sqrt {{g^2} - {{{q^2}{E^2}} \over {{m^2}}}} }}} $
B.
$2\pi \sqrt {{L \over {\left( {g + {{qE} \over m}} \right)}}} $
C.
$2\pi \sqrt {{L \over {\sqrt {{g^2} + {{{q^2}{E^2}} \over {{m^2}}}} }}} $
D.
$2\pi \sqrt {{L \over {\left( {g - {{qE} \over m}} \right)}}} $
2019
JEE Mains
MCQ
JEE Main 2019 (Online) 10th April Morning Slot
Figure shows charge (q) versus voltage (V)
graph for series and parallel combination of two
given capacitors. The capacitances are :
A.
40 $\mu $F and 10 $\mu $F
B.
60 $\mu $F and 40 $\mu $F
C.
20 $\mu $F and 30 $\mu $F
D.
50 $\mu $F and 30 $\mu $F
2019
JEE Mains
MCQ
JEE Main 2019 (Online) 9th April Evening Slot
The parallel combination of two air filled
parallel plate capacitors of capacitance C and
nC is connected to a battery of voltage, V. When
the capacitors are fully charged, the battery is
removed and after that a dielectric material of
dielectric constant K is placed between the two
plates of the first capacitor. The new potential
difference of the combined system is :-
A.
V
B.
${V \over {K + n}}$
C.
${{(n+1)V} \over {K + n}}$
D.
${{nV} \over {K + n}}$
2019
JEE Mains
MCQ
JEE Main 2019 (Online) 9th April Morning Slot
A capacitor with capacitance 5μF is charged to
5μC. If the plates are pulled apart to reduce the
capacitance to 2μF, how much work is done ?
A.
2.16 × 10–6 J
B.
2.55 × 10–6 J
C.
3.75 × 10–6 J
D.
6.25 × 10–6 J
2019
JEE Mains
MCQ
JEE Main 2019 (Online) 9th April Morning Slot
Determine the charge on the capacitor in the
following circuit :


A.
200μC
B.
2μC
C.
10μC
D.
60μC
2019
JEE Mains
MCQ
JEE Main 2019 (Online) 8th April Evening Slot
A parallel plate capacitor has 1μF capacitance.
One of its two plates is given +2μC charge and
the other plate, +4μC charge. The potential
difference developed across the capacitor is:-
A.
1V
B.
5V
C.
2V
D.
3V
2019
JEE Mains
MCQ
JEE Main 2019 (Online) 8th April Morning Slot
Voltage rating of a parallel plate capacitor is
500V. Its dielectric can withstand a maximum
electric field of 106 V/m. The plate area is
10–4 m2. What is the dielectric constant is the
capacitance is 15 pF?
(given $\varepsilon $0 = 8.86 × 10–12 C2/Nm2)
A.
8.5
B.
4.5
C.
3.8
D.
6.2
2019
JEE Mains
MCQ
JEE Main 2019 (Online) 12th January Evening Slot
In the circuit shown, find C if the effective capacitance of the whole circuit is to be 0.5 $\mu $F. All values in the circuit are in $\mu $F.
A.
${6 \over 5}\mu F$
B.
${7 \over 11}\mu F$
C.
4$\mu $F
D.
${7 \over 10}\mu F$
2019
JEE Mains
MCQ
JEE Main 2019 (Online) 12th January Evening Slot
The charge on a capacitor plate in a circuit, as a function of time, is shown in the figure :
When is the value of current at t = 4 s ?
When is the value of current at t = 4 s ?
A.
zero
B.
1.5 $\mu $A
C.
2 $\mu $A
D.
3 $\mu $A
2019
JEE Mains
MCQ
JEE Main 2019 (Online) 12th January Evening Slot
A parallel plate capacitor with plates of area 1 m2 each, are at a separation of 0.1 m. If the electric field between the plates is 100 N/C, the magnitude of charge on each plate is :
(Take $\varepsilon $0 = 8.85 $ \times $ 10$-$12 ${{{C^2}} \over {N - {m^2}}}$)
(Take $\varepsilon $0 = 8.85 $ \times $ 10$-$12 ${{{C^2}} \over {N - {m^2}}}$)
A.
9.85 $ \times $ 10–10 C
B.
8.85 $ \times $ 10–10 C
C.
6.85 $ \times $ 10–10 C
D.
7.85 × 10–10 C
2019
JEE Mains
MCQ
JEE Main 2019 (Online) 12th January Morning Slot
In the figure shown, after the switch 'S' is turned from position 'A' to position 'B', the energy dissipated in the circuit in terms of capacitance 'C' and total charge 'Q' is :
A.
${1 \over 8}{{{Q^2}} \over C}$
B.
${5 \over 8}{{{Q^2}} \over C}$
C.
${3 \over 4}{{{Q^2}} \over C}$
D.
${3 \over 8}{{{Q^2}} \over C}$
2019
JEE Mains
MCQ
JEE Main 2019 (Online) 11th January Evening Slot
Seven capacitors, each of capacitance 2 $\mu $F, are to be connected in a configuration to obtain an effective capacitance of $\left( {{6 \over {13}}} \right)\mu F.$ Which of the combinations, shown in figures below, will achieve the desired value
A.
B.
C.
D.
2019
JEE Mains
MCQ
JEE Main 2019 (Online) 11th January Morning Slot
In the figure shown below, the charge on the left plate of the 10$\mu $F capacitor is –30$\mu $C. The charge on the right plate of the 6 $\mu $F capacitor is :
A.
+ 12 $\mu $C
B.
+ 18 $\mu $C
C.
$-$ 18 $\mu $C
D.
$-$ 12 $\mu $C
2019
JEE Mains
MCQ
JEE Main 2019 (Online) 10th January Evening Slot
A parallel plate capacitor having capacitance 12 pF is charged by a battery to a potential difference of 10 V between its plates. The charging battery is now disconnected and a porcelain slab of dielectric constant 6.5 is slipped between the plates. The work done by the capacitor on the slab is :
A.
508 pJ
B.
692 pJ
C.
560 pJ
D.
600 pJ
2019
JEE Mains
MCQ
JEE Main 2019 (Online) 10th January Morning Slot
A parallel plate capacitor is of area 6 cm2
and a separation 3 mm. The gap is filled with three dielectric
materials of equal thickness (see figure) with dielectric constants K1 = 10, K2 = 12 and K3 = 14. The dielectric constant of a material which when fully inserted in above capacitor, gives same capacitance would be -
A.
12
B.
36
C.
14
D.
4
2019
JEE Mains
MCQ
JEE Main 2019 (Online) 9th January Evening Slot
A parallel plate capacitor with square plates is filled with four dielecytrics of dielectrics constants K1, K2, K3, K4 arranged as shown in the figure. The effective dielectric constant K will be :
A.
$K = {{{K_1}{K_2}} \over {{K_1} + {K_2}}} + {{{K_3}{K_4}} \over {{K_3} + {K_4}}}$
B.
$K = {{\left( {{K_1} + {K_2}} \right)\left( {{K_3} + {K_4}} \right)} \over {2\left( {{K_1} + {K_2} + {K_3} + {K_4}} \right)}}$
C.
$K = {{\left( {{K_1} + {K_2}} \right)\left( {{K_3} + {K_4}} \right)} \over {{K_1} + {K_2} + {K_3} + {K_4}}}$
D.
$K = {{\left( {{K_1} + {K_4}} \right)\left( {{K_2} + {K_3}} \right)} \over {2\left( {{K_1} + {K_2} + {K_3} + {K_4}} \right)}}$
2019
JEE Mains
MCQ
JEE Main 2019 (Online) 9th January Morning Slot
A parallel plate capacitor is made of two square plates of side 'a', separated by a distance d (d < < a). The lower triangular portion is filled with a dielectric of dielectric constant K, as shown in the figure. Capacitance of this capacitor is :
A.
${{K{ \in _0}{a^2}} \over {2d(K + 1)}}$
B.
${{K{ \in _0}{a^2}} \over {d(K - 1)}}\ln K$
C.
${{K{ \in _0}{a^2}} \over d}\ln K$
D.
${1 \over 2}{{K{ \in _0}{a^2}} \over d}$
2018
JEE Mains
MCQ
JEE Main 2018 (Online) 16th April Morning Slot
In the following circuit, the switch S is closed at t = 0. The charge on the capacitor C1 as a function of time will be given by $\left( {{C_{eq}} = {{{C_1}{C_2}} \over {{C_1} + {C_2}}}} \right)$
A.
${C_1}E\left[ {1 - \exp \left( { - tR/{C_1}} \right)} \right]$
B.
${C_2}E\left[ {1 - \exp \left( { - t/R{C_2}} \right)} \right]$
C.
${C_{eq}}E\left[ {1 - \exp \left( { - t/R{C_{eq}}} \right)} \right]$
D.
${C_{eq}}E\,\,\exp \left( { - t/R{C_{eq}}} \right)$
2018
JEE Mains
MCQ
JEE Main 2018 (Offline)
A parallel plate capacitor of capacitance 90 pF is connected to a battery of emf 20 V. If a dielectric material
of dielectric constant K = 5/3 is inserted between the plates, the magnitude of the induced charge will be :
A.
0.9 n C
B.
1.2 n C
C.
0.3 n C
D.
2.4 n C
2018
JEE Mains
MCQ
JEE Main 2018 (Online) 15th April Evening Slot
A capacitor C1 = 1.0 $\mu $F is charged up to a voltage V = 60 V by connecting it to battery B through switch (1). Now C1 is disconnected from battery and connected to a circuit consisting of two uncharged capacitors ${C_2} = 3.0\mu F$ and C3 = 6.0 $\mu $F through switch (2), as shown in the figure. The sum of final charges on C2 and C3 is :
A.
40 $\mu $C
B.
36 $\mu $C
C.
20 $\mu $C
D.
54 $\mu $C
2018
JEE Mains
MCQ
JEE Main 2018 (Online) 15th April Evening Slot
A parallel plate capacitor with area 200 cm2 and separation between the plates 1.5 cm, is connected across a battery of emf V. If the force of attraction between the plates is $25 \times {10^{ - 6}}N,$ the value of V is approximately : $\left( {{ \in _o} = 8.85 \times {{10}^{ - 12}}{{{C^2}} \over {N.{m^2}}}} \right)$
A.
250 V
B.
100 V
C.
300 V
D.
150 V
2018
JEE Mains
MCQ
JEE Main 2018 (Online) 15th April Morning Slot
The equivalent capacitance between $A$ and $B$ in the circuit given below, is :
A.
$2.4\,\mu F$
B.
$4.9\,\mu F$
C.
$3.6\,\mu F$
D.
$5.4\,\mu F$
2017
JEE Mains
MCQ
JEE Main 2017 (Online) 9th April Morning Slot
A combination of parallel plate capacitors is maintained at a certain potential difference.
When a 3 mm thick slab is introduced between all the plates, in order to maintain the same potential difference, the distance between the plates is increased by 2.4 mm. Find the dielectric constant of the slab.
When a 3 mm thick slab is introduced between all the plates, in order to maintain the same potential difference, the distance between the plates is increased by 2.4 mm. Find the dielectric constant of the slab.
A.
3
B.
4
C.
5
D.
6
2017
JEE Mains
MCQ
JEE Main 2017 (Online) 8th April Morning Slot
The energy stored in the electric field produced by a metal sphere is 4.5 J. If the sphere contains 4 $\mu $C charge, its radius will be :
[ Take : ${1 \over {4\,\pi { \in _0}}} = $ 9 $ \times $ 109 N $-$ m2/C2 ]
[ Take : ${1 \over {4\,\pi { \in _0}}} = $ 9 $ \times $ 109 N $-$ m2/C2 ]
A.
20 mm
B.
32 mm
C.
28 mm
D.
16 mm
2017
JEE Mains
MCQ
JEE Main 2017 (Offline)
A capacitance of 2 $\mu $F is required in an electrical circuit across a potential difference of 1.0 kV. A large
number of 1 $\mu $F capacitors are available which can withstand a potential difference of not more than 300 V.
The minimum number of capacitors required to achieve this is:
A.
2
B.
16
C.
32
D.
24
2017
JEE Mains
MCQ
JEE Main 2017 (Offline)
In the given circuit diagram when the current reaches steady state in the
circuit, the charge on the capacitor of capacitance C will be:
A.
$CE{{{r_1}} \over {({r_1} + r)}}$
B.
CE
C.
$CE{{{r_1}} \over {({r_2} + r)}}$
D.
$CE{{{r_2}} \over {(r + {r_2})}}$
2016
JEE Mains
MCQ
JEE Main 2016 (Online) 10th April Morning Slot
Figure shows a network of capacitors where the numbers indicates capacitances in micro Farad. The value of capacitance C if the equivalent capacitance between point A and B is to be 1 $\mu $F is :
A.
${{31} \over {23}}\,\mu F$
B.
${{32} \over {23}}\,\mu F$
C.
${{33} \over {23}}\,\mu F$
D.
${{34} \over {23}}\,\mu F$
2016
JEE Mains
MCQ
JEE Main 2016 (Online) 9th April Morning Slot
Three capacitors each of 4 $\mu $F are to be connected in such a way that the effective capacitance is 6 $\mu $F. This can be done by connecting them :
A.
all in series
B.
two in series and one in parallel
C.
all in parallel
D.
two in parallel and one in series





$t = 2\pi \sqrt {{L \over {{g_{eff}}}}} $
Initially Q = CV(1 + n)
Charges at inner plates are 1 $\mu $C and –1 $\mu $C.


