Four identical thin, square metal sheets, $S_1, S_2, S_3$ and $S_4$, each of side $a$ are kept parallel to each other with equal distance $d(\ll a)$ between them, as shown in the figure. Let ${C_0} = {{{\varepsilon _0}{a^2}} \over d}$, where $\varepsilon_0$ is the permittivity of free space.
Match the quantities mentioned in List-I with their values in List-II and choose the correct option.
| List-I | List-II |
|---|---|
| (P) The capacitance between $S_1$ and $S_4$, with $S_2$ and $S_3$ not connected, is | (1) $3C_0$ |
| (Q) The capacitance between $S_1$ and $S_4$, with $S_2$ shorted to $S_3$, is | (2) $\frac{C_0}{2}$ |
| (R) The capacitance between $S_1$ and $S_3$, with $S_2$ shorted to $S_4$, is | (3) $\frac{C_0}{3}$ |
| (S) The capacitance between $S_1$ and $S_2$, with $S_3$ shorted to $S_1$, and $S_2$ shorted to $S_4$, is | (4) $\frac{2C_0}{3}$ |
| (5) $2C_0$ |
[Given: Permittivity of free space $\epsilon_0=9 \times 10^{-12} \mathrm{C}^2 \mathrm{~N}^{-1} \mathrm{~m}^{-2}$, the effects of the non-conducting walls on the capacitance are negligible]
A circuit is connected as shown in the figure with the switch S open. When the switch is closed, the total amount of charge that flows from Y to X is

Column I gives certain situations in which a straight metallic wire of resistance R is used and Column II gives some resulting effects. Match the statements in Column I with the statements in Column II and indicate your answer by darkening appropriate bubbles in the 4 $\times$ 4 matrix given in the ORS.
| Column I | Column II | ||
|---|---|---|---|
| (A) | A charged capacitor is connected to the ends of the wire | (P) | A constant current flows through the wire |
| (B) | The wire is moved perpendicular to its length with a constant velocity in a uniform magnetic field perpendicular to the plane of motion | (Q) | Thermal energy is generated in the wire |
| (C) | The wire is placed in a constant electric field that has a direction along the length of the wire. | (R) | A constant potential difference develops between the ends of the wire |
| (D) | A battery of constant emf is connected to the ends of the wire | (S) | Charges of constant magnitude appear at the ends of the wire |
In the following circuits, it is given that $\mathrm{R}_1=1 \Omega, \mathrm{R}_2=2 \Omega, \mathrm{C}_1=2 \mu \mathrm{~F}$ and $\mathrm{C}_2=4 \mu \mathrm{~F}$.
The time constants (in $\mu \mathrm{s}$ ) for the circuits I, II, III are, rcspectively.
$18,8 / 9,4$
$18,4,8 / 9$
$4,8 / 9,18$
$8 / 9,18,4$
In the given circuit, the switch S is closed at time $t=0$. The charge Q on the capacitor at any instant t is given by $Q(t)=Q_0(1-e^{-\alpha t})$. Find the value of Q$_0$ and $\alpha$ in terms of given parameters shown in the circuit.

[Given: $e^{-1}=0.36$ ]
A medium having dielectric constant $K>1$ fills the space between the plates of a parallel plate capacitor. The plates have large area, and the distance between them is $d$. The capacitor is connected to a battery of voltage $V$, as shown in Figure (a). Now, both the plates are moved by a distance of $\frac{d}{2}$ from their original positions, as shown in Figure (b).

In the process of going from the configuration depicted in Figure (a) to that in Figure (b), which of the following statement(s) is(are) correct?

The magnitude of q1 is ________________.
Explanation:

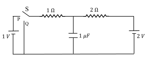
Switch connected to position P
${V_A} - 1\,.\,{i_1} - 1 + 2 - 2{i_1} = {V_A}$
$3{i_1} = 1$
${i_1} = {1 \over 3}A$
Now, ${V_A} - 1\,.\,{i_1} - 1 = {V_B}$
${V_A} - {V_B} = 1 + {i_1} = {4 \over 3}V$
Potential drop across capacitor, $\Delta V = {4 \over 3}V$
$\therefore$ Charge on capacitor, ${q_1} = C\Delta V = 1 \times {4 \over 3}\mu C$
${q_1} = 1.33\mu C$

The magnitude of q2 is ________________.
Explanation:

${V_A} - 1\,.\,{i_2} + 2 - 2{i_2} = {V_A}$
$3{i_2} = 2$
$ \Rightarrow {i_2} = {2 \over 3}A$
Now, ${V_A} - \,{i_2} \times 1 = {V_B}$
${V_A} - {V_B} = {i_2} \times 1 = {2 \over 3}V$
Potential difference across capacitor, $\Delta V = {2 \over 3}V$
$\therefore$ Charge on capacitor, ${q_2} = C\Delta V = 1 \times {2 \over 3} = 0.67\mu C$
Explanation:
Combine capacitance of series combination
$ \begin{aligned} \frac{1}{C} & =\frac{1}{C_1}+\frac{1}{C_2} ~~~~....(1)\\\\ \Rightarrow & \frac{1}{C}=\frac{1}{2000}+\frac{1}{3000}=\frac{(6+4)}{12000} \\\\ \frac{1}{C} & =\frac{10}{12000} \Rightarrow C=1200 \mathrm{pF} \end{aligned} $
Differentiating Eq. (1), we get
$ \begin{aligned} -\frac{1}{C^2} \cdot d C & =-\frac{1}{C_1^2} d C_1+\left(-\frac{1}{C_2^2}\right) \cdot d C_2 \\\\ \Rightarrow \frac{d C}{C^2} & =\left(\frac{d C_1}{C_1^2}+\frac{d C_2}{C_2^2}\right) \\\\ \Rightarrow \frac{d C}{C} & =\left[\frac{d C_1}{C_1^2}+\frac{d C_2}{C_2^2}\right] \cdot C \\\\ \Rightarrow \frac{d C}{C} & =\left[\frac{10}{(2000)^2}+\frac{15}{(3000)^2}\right] \times 1200 \\\\ \Rightarrow \frac{d C}{C} & =\left[\frac{10}{4} \times 10^{-6}+\frac{15}{9} \times 10^{-6}\right] \times 1200 \\\\ & =\left[\frac{10}{4}+\frac{15}{9}\right] \times 12 \times 10^{-4} \end{aligned} $
$ \Rightarrow \frac{d C}{C}=[2.5+1.66] \times 12 \times 10^{-4}=[4.17 \times 12] \times 10^{-4} $
And $ \frac{d V}{V}=\frac{0.02}{5} $
Energy stored in the capacitor is given by
$ U=\frac{1}{2} C V^2 $ .....(2)
Differentiating Eq. (2), we get
$ \begin{aligned} \frac{d U}{U} \times 100 & =\frac{d C}{C} \times 100+2 \frac{d V}{V} \times 100 \\\\ & =\left[50.04 \times 10^{-4} \times 100+\frac{2 \times 0.02}{5} \times 100\right] \\\\ \left(\frac{d U}{U}\right)^{100} & =[0.5004+0.8] \% \Rightarrow 1.30 \% \end{aligned} $
The value of $\alpha $ will be ..................
[$ \in $0 is the permittivity of free space.]
Explanation:
${x \over m} = {d \over N}$
$d\left( {{1 \over C}} \right) = {{dx} \over {{K_m}{\varepsilon _0}A}} = {{dx} \over {K{\varepsilon _0}A\left( {1 + {m \over N}} \right)}} = {{dx} \over {K{\varepsilon _0}A\left( {1 + {x \over d}} \right)}}$
Integration on both sides, we get
${1 \over {{C_{eq}}}} = \int {d\left( {{1 \over C}} \right) = \int_0^D {{{d\,dx} \over {K{\varepsilon _0}A(d + x)}}} } $
${1 \over {{C_{eq}}}} = \int {{d \over {K{\varepsilon _0}A}}\ln 2} \Rightarrow {C_{eq}} = {{K{\varepsilon _0}A} \over {d\,\ln 2}}$
Therefore, $\alpha $ = 1.
Explanation:
Given C1 = C2 = C3 = 1.0 $\mu$F and V0 = 8 V
When S1 is close and S2 is open. Charge on C3 is 8 $\mu$C.
The circuit is
When S1 is open and S2 is close. Charge on C3 is 5 $\mu$C. Therefore, charge on C1 and C2 will be 3 $\mu$C.
The potential difference across C3 is equal to the potential difference across C1 and C2 together i.e.,
${{{q_1}} \over {C{'_1}}} + {{{q_2}} \over {{C_2}}} = {{{q_3}} \over {{C_3}}}$,
${{3\mu C} \over {{ \in _r}(1\mu F)}} + {{3\mu C} \over {1\mu F}} = {{5\mu C} \over {1\mu F}}$.
Solve to get ${ \in _r} = 1.5$.
At time t = 0, a battery of 10 V is connected across points A and B in the given circuit. If the capacitors have no charge initially, at what time (in seconds) does the voltage across them becomes 4 V? (Take ln5 = 1.6, ln3 = 1.1)

Explanation:
The equivalent resistance of the two parallel resistors is
$R = {{(2\,M\Omega )(2\,M\Omega )} \over {(2\,M\Omega ) + (2\,M\Omega )}} = 1M\Omega $
The equivalent capacitance of the two parallel capacitors is
$C = 2\mu F + 2\mu F = 4\mu F$
This corresponding equivalent diagram is as shown in the figure.

The voltage across the equivalent capacitor is same as the voltage across the individual capacitors (parallel combination). Thus, we need to find time t at which the voltage across C become 4 V in the equivalent circuit (charging of a capacitor). The voltage across C at time t is
$V = {V_0}\left[ {1 - {e^{ - t/(RC)}}} \right]$,
which simplifies to
$t = RC\ln \left( {{{{V_0}} \over {{V_0} - V}}} \right)$.
Substitute ${V_0} = 10$ V, $V = 4$ V, $R = 1 \times {10^6}\Omega $ and $C = 4 \times {10^{ - 6}}F$ to get
$t = 4\ln (5/3) = 4(\ln 5 - \ln 3) = 2\,s$.




